- SOLARWATT Battery vision und Inverter vision
- Planung
- Inverter vision one 3-phasiges Netz
Inverter vision one 3-phasiges Netz
Inhaltsverzeichnis
Allgemeine Planungshinweise
Diese Hinweise gelten übergeordnet für alle nachfolgenden Anwendungsbeispiele des Inverter vision one
Dimensionierungshinweise für Zu- und Abgänge Inverter vision one
Klemmen im Anschlussstecker des Inverter vision one sind für folgende Leiterquerschnitte geeignet.
AC-Anschluss: 3-adrig, 4,0 - 16,0 mm²
BACKUP-Anschluss: 3-adrig, 4,0 - 6,0 mm2
Beispielhaft für die Verwendung von 3x6 mm², 3x10 mm² und 3x16 mm² und unter Beachtung des zulässigen Spannungsfalls für PV-Erzeuger [1 %] und Verbraucher [3 %, hier anteilig mit 2 % gerechnet] können folgende Kabellängen realisiert werden:
Übersicht für Erzeuger - 1 % Spannungsfall, Verlegart B2
Leistungsklasse Wechselrichter [kW] | max. AC- Eingangsleistung [kW] | Länge [m] für Leiterquerschnitt [mm²]/max. Absicherung | ||
| 6²/C32 | 10²/C50 | 16²/C63 | ||
6 | 12 | nicht zulässig | nicht zulässig | 13 |
5 | 10 | nicht zulässig | 10 | 16 |
4,6 | 9,2 | nicht zulässig | 11 | 17 |
3,7 | 7,4 | nicht zulässig | 13 | 20 |
3 | 6 | 10 | 16 | 26 |
Übersicht für Verbraucher - anteilig 2 % Spannungsfall, Verlegart B2
Leistungsklasse Wechselrichter [kW] | Länge [m] für Leiterquerschnitt [mm²]/max. Absicherung 4²/C25 6²/C32 (nur bei 6-kant Crimp) | |
6 | nicht zulässig | 20 |
5 | nicht zulässig | 23 |
4,6 | 17 | 26 |
3,7 | 21 | 32 |
3 | 26 | 39 |
Achtung! Diese Angaben dienen als Dimensionierungshilfe und sind beispielhaft für bestimmte Annahmen zur Verlegeart (B2), Kabelhäufung (2), Umgebungstemperatur (30 °C) ermittelt. Die Eignung der empfohlenen Kabel und Absicherungen ist in jedem Fall an Hand der spezifischen Bedingungen zu überprüfen.
Entscheidungshilfe zur Nutzung eines Netz-0-Notstrom Umschalters
Verbraucher oder ein ganzer Haushalt, der über den Backup-Ausgang des Inverter vision angeschlossen ist, wird im regulären Netzbetrieb wie auch im Netzersatzbetrieb mit der im Datenblatt des Inverter vision one unter der Überschrift „Netzersatzstrom“ angegeben Ausgangsleistung des gewählten Inverter vision bedient. Der Wert entspricht in etwa der Leistungsklasse des ausgewählten Wechselrichters, also ein 6 kW-Gerät kann auch 6 kW über den backup-Ausgang bereitstellen.
Netzersatzbetrieb direkt aus dem Backup-Ausgang des Inverter vision ist sinnvoll wenn:
- der geplante Haushalt mit bis max. 6 kW Leistung 1-phasig ausreichend versorgt ist und ein Inverter vision one 1.0 (6kW) eingesetzt werden kann
oder
- nur ein bis zwei größere Verbraucher (z.B. Wallbox und Wärmepumpe) die Leistungsbegrenzung durchbrechen würden und diese in der Hauptverteilung als nicht notstromversorgte Geräte separiert werden
oder
- Der Kunde nur wenige ausgewählte Stromkreise bei Netzausfall versorgen möchte, die über den Backup-Ausgang angeschlossen werden
oder
- Der Kunde lediglich eine Notstrom-Steckdose wünscht, die dann im regulären Netzbetrieb wie auch im Netzersatzbetrieb Energie für einzelne Verbraucher bereitstellt
Unter Beachtung dieser Bedingung ist die Entscheidung zu treffen, ob das System mit der Zusatzkomponente Netz - 0 - Notstrom Umschalter ausgestattet wird. Diese Komponente ermöglicht es, im regulären Netzbetrieb die angeschlossen Verbraucher oder einen ganzen Haushalt mit der vorhandenen Hausanschlussleistung zu versorgen. Im Netzersatzbetrieb beschränkt sich die Leistung auch in dieser Variante auf die o.g. Datenblattangabe.
Der Netz - 0 - Notstrom Umschalter (auch als Wartungsschalter bezeichnet) ist eine einfache, manuelle Umschaltvariante. Dieser kann in Absprache mit dem Nutzer zwei verschiedene Grundstellungen haben. Die Frage, wann der Schalter betätigt werden muss, ist von dieser Entscheidung ab:
1. Manuelle Umschaltung in den Notstrombetrieb:
Schalter steht standardmäßig auf Stellung „Netz“ und versorgt die angeschlossenen Stromkreise direkt
--> Nutzer muss „bewußt“ bei Netzausfall in den Notstrombetrieb schalten
2. Manuelle Umschaltung zur direkten Netzversorgung:
Schalter steht standardmäßig auf Stellung „Notstrom“ und versorgt die angeschlossenen Stromkreise über den Wechselrichter, sowohl im Netzbetrieb als auch im Netzersatzbetrieb.
--> Umschalter dient als Wartungsschalter, um die am Backup-Ausgang des Wechselrichters angeschlossenen Stromkreise bei Ausfall und Austausch des Wechselrichters weiter Inverter.
Weiteres optionales Zubehör ergänzt das Battery & Inverter vision Produktsortiment und kann im Solarwatt-Shop separat bestellt werden:
- Batteriekabel 3m, 5m oder 10m --> Im Lieferumfang enthalten ist ein 1,5 m Kabel, um die Batterie mit dem Wechselrichter zu verbinden. Diese Länge ist ausreichend, wenn der Wechselrichter direkt über der Batterie installiert wird. Für andere Anordnungen sind die genannten Längen separat zu bestellen.
- Battery vision cable cover --> zur Verkleidung des seitlichen Anschlussbereiches am Battery vision top pack
- Überspannungsschutz DC, für 2 MPP-Tracker um die PV-Eingänge des Inverter vision one zusätzlich zu schützen.
Fehlerstrom-Schutzschalter (FI/RCD)
Vor dem Inverter einen Fehlerstromschutzschalter zu installieren, ist optional und richtet sich vornehmlich nach den länderspezifischen Vorgaben oder lokalen Anforderungen (z.B. individuellen Brandschutzvorgaben) für den Einsatz von Fehlerstromschutzschaltern.
Wenn ein Fehlerstromschutzschalter installiert wird, muss der Schalter einen Bemessungsfehlerstrom von mindestens 100 mA haben.
Dieser Planungsbereich bietet zu jeder jeweils geplanten Anlagenkonstellation Schaltpläne, die auch die optionalen Fehlerstrom-Schutzschalter enthalten.
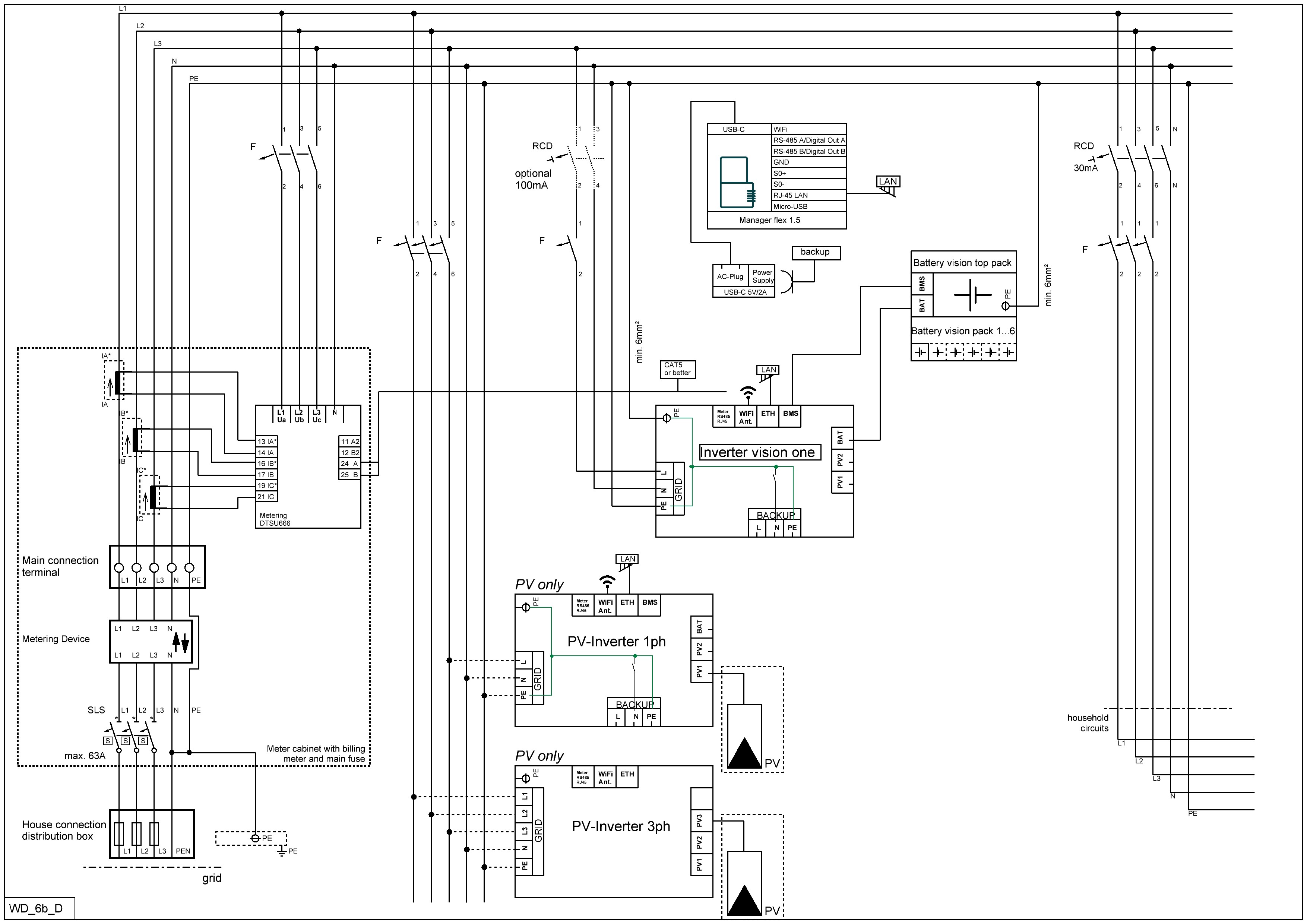
PV-WR
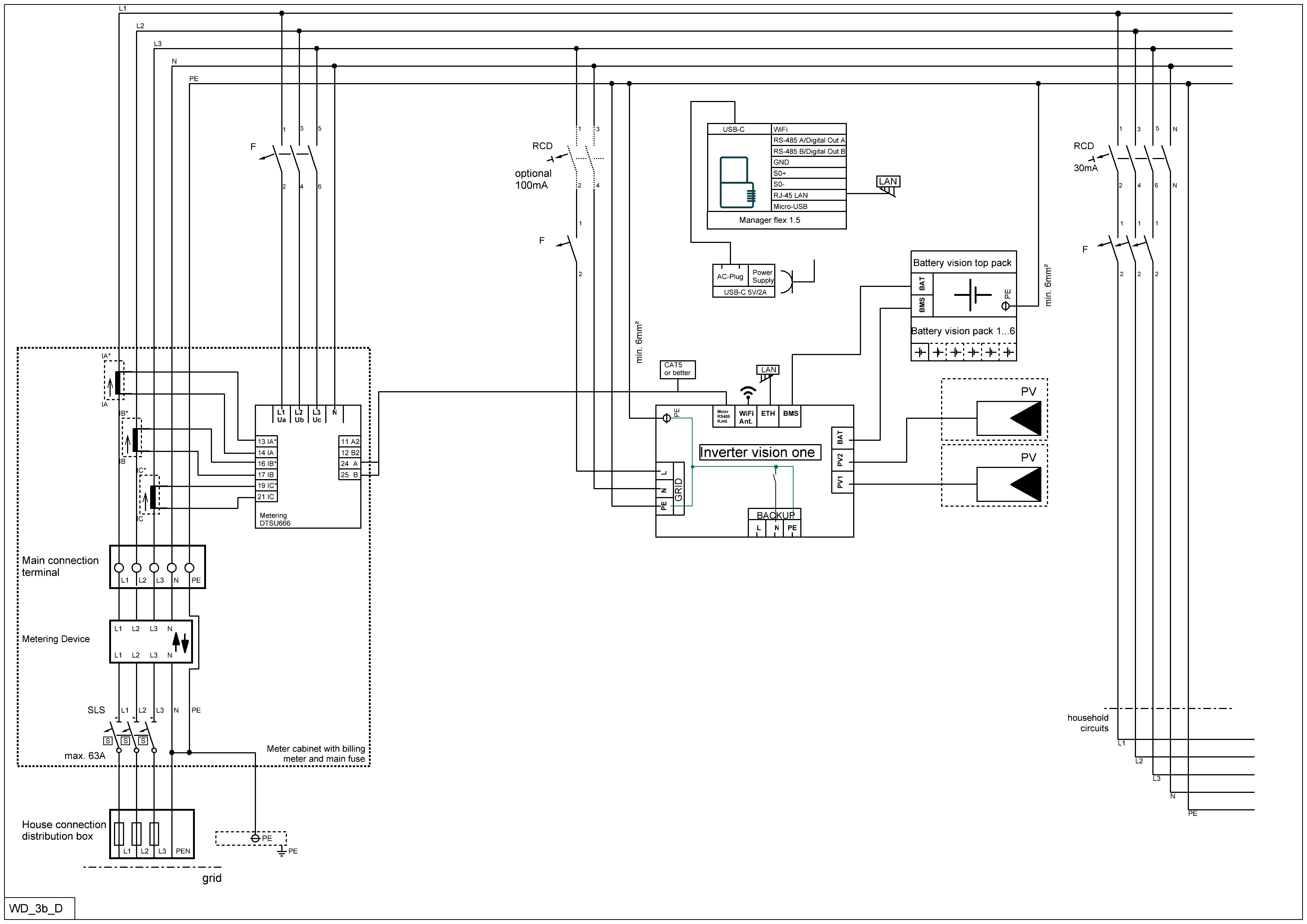
Nutzung des Inverter vision one als PV-Wechselrichter
Der Inverter vision one kann ohne den Anschluss einer Batterie als PV-Wechselrichter betrieben werden. Das kann sinnvoll sein, wenn beispielsweise der Speicher zu einem späteren Zeitpunkt nachgerüstet werden soll.
In dieser Konfiguration kann eine Optimierung des Eigenverbrauchs nur in der Form stattfinden, dass steuerbare Verbraucher bei PV-Überschuss zugeschaltet werden.
Nutzung des SOLARWATT Managers
Um die Gesamtenergiebilanz in der SOLARWATT Home app und im SOLARWATT Manager portal darstellen zu können und steuerbare Verbraucher zu optimieren, ist die Installation des 3-phasigen Chint-Meter DTSU (separates Zubehör) und eines SOLARWATT Managers (separates Zubehör) notwendig. Der beiliegende 1-phasige Chint-Meter DDSU wird in diesem Fall nicht benötigt.
Wichtige Einstellungen im SOLARWATT Manager SmartSetup
Bei der Gerätesuche wird automatisch eine Batterie angelegt. Löschen sie diese.
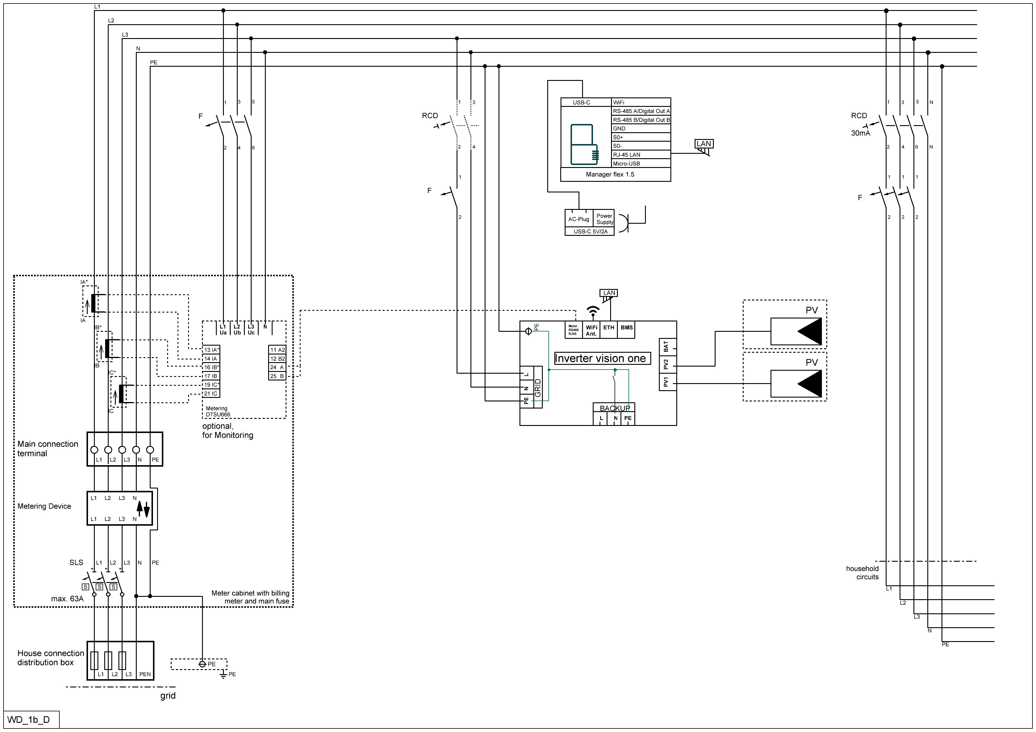
Batterie-WR
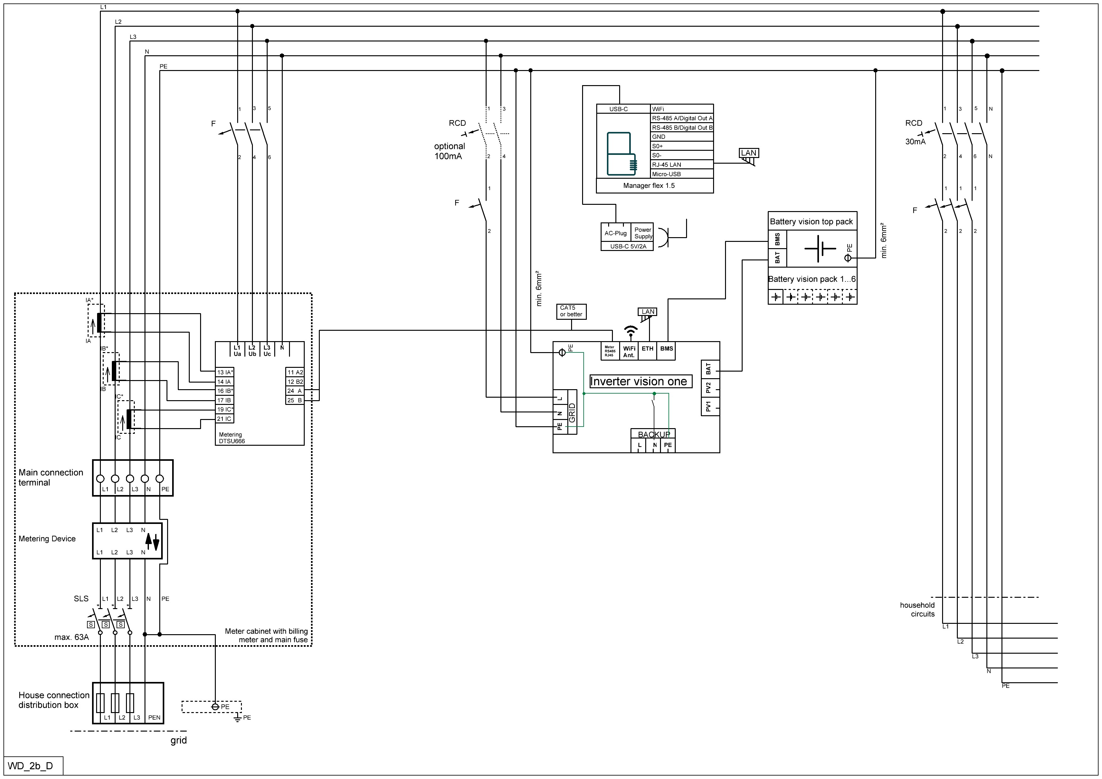
Nutzung des Inverter vision one als Batterie-Wechselrichter
Der Inverter vision one kann ohne den Anschluss einer PV-Anlage als Batteriewechselrichter mit einer Battery vision zwischen 2 und 7 packs (5,2 - 18,2kWh) betrieben werden. Das kann sinnvoll sein, wenn beispielsweise der Speicher unter Ausnutzung dynamischer Tarifmodelle zur Optimierung von Stromkosten verwendet wird ("time of use") oder zur Verschiebung von Lastspitzen ("peakshaving") in ein Energiesystem eingebunden wird.
Für die genannten Anwendungsfälle ist die Installation des 3-phasigen Chint-Meter DTSU (separates Zubehör) und eines Mangers flex oder Manager rail (separates Zubehör) notwendig.
Hinweis zur Konfiguration eines solchen Systems im SOLARWATT Manager:
- für eine korrekte Bilanzierung des Systems muss zwingend eine PV-Anlage angelegt werden, die in diesem Fall mit 0kW Leistung angelegt werden muss. Weitere Informationen zur Konfiguration des Inverter vision im SOLARWATT Manager sind im Onlinehandbuch des Managers zu finden
Hybrid-WR
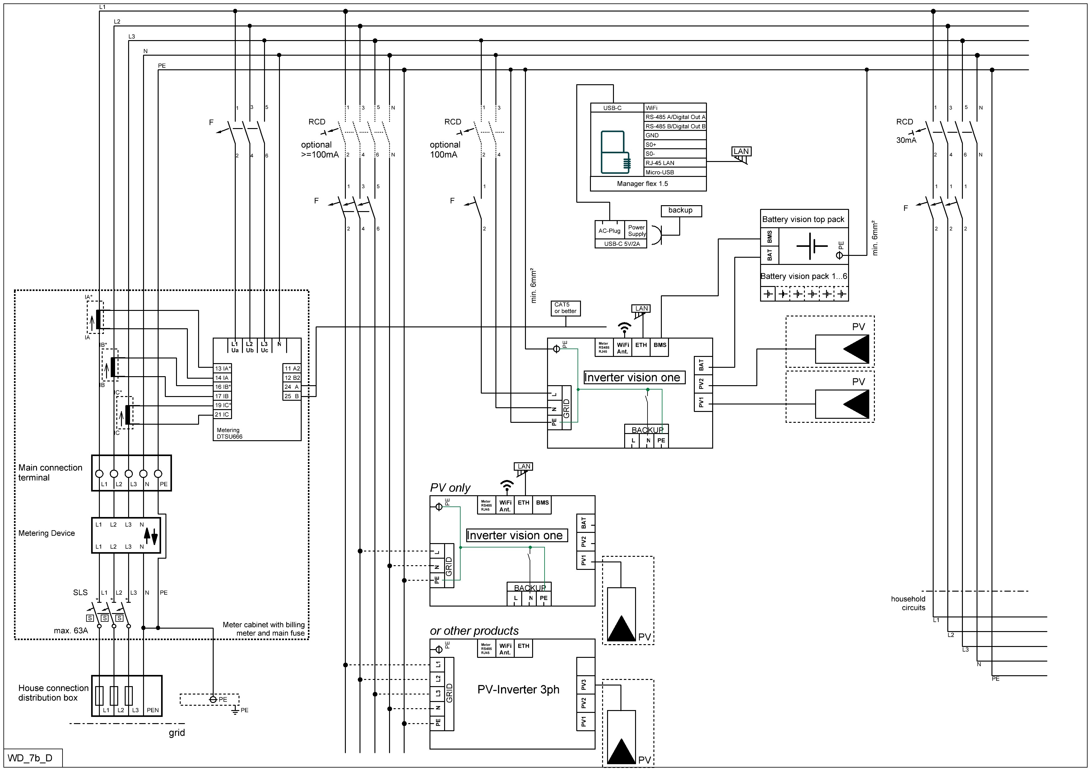
Nutzung des Inverter vision one als Hybrid-Wechselrichter
Der Inverter vision one mit angeschlossener PV-Anlage und einer Battery vision zwischen 2 und 7 packs (5,2 - 18,2kWh) ist die klassische Anwendung des Gerätes als Hybridwechselrichter. Es ist die sinnvollste Lösung für die Herstellung eines möglichst hohen Autarkiegrades für eine häusliche Energieversorgung.
Für die weitere solare Optimierung einzelner Verbraucher bis hin zur Wärmepumpe und/oder die Ladung des Elektrofahrzeugs ist der Solarwatt Manger flex oder Manager rail als separates Zubehör die "must have" Ergänzung zum System.
Dafür ist die Installation des 3-phasigen Chint-Meter DTSU (separates Zubehör) notwendig. Der beiliegende 1-phasige Chint-Meter DDSU wird in diesem Fall nicht benötigt.
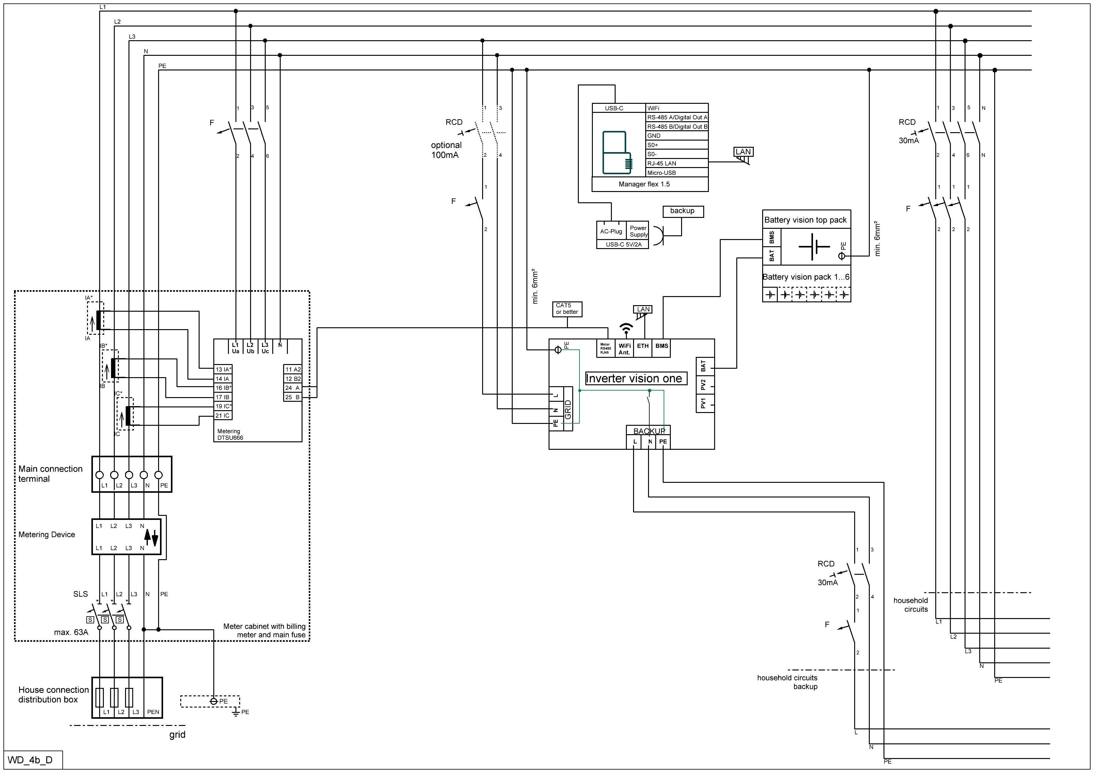
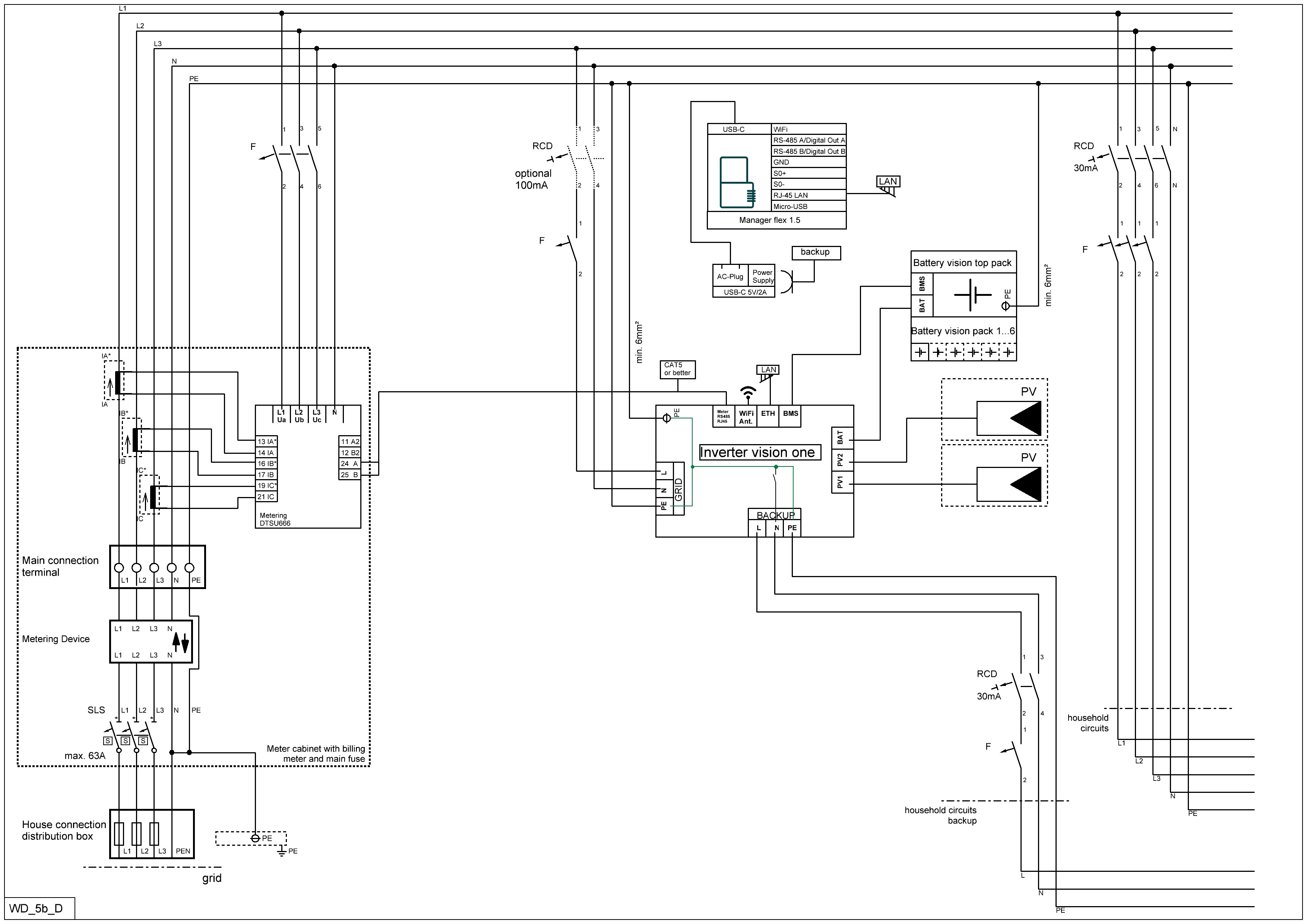
Batterie-WR (Netzersatzbetrieb über WR)
Nutzung des Inverter vision one als Batterie-Wechselrichter inklusive des Netzersatzbetriebes
Zusätzlich zu den Anwendungen für den Batteriewechselrichter aus Variante 2 können einphasige Verbraucher hier auch bei Netzausfall weiter versorgt werden. Die hier beschriebene Variante ist ohne den Battery vision backup booster konzipiert, jedoch kann ergänzend der Netz - 0 - Notstrom - Umschalter (oder auch Wartungsschalter) eingebaut werden, der Vorteil dieser Zubehörkomponente ist in den allgemeinen Planungshinweisen erläutert.
Es ist unbedingt auf die maximale Leistung der am backup-Ausgang des Wechselrichters angeschlossenen Verbraucher zu achten! Diese darf in der Gesamtleistung nicht überschritten werden. Achtung: dies gilt sowohl im Netzbetrieb als auch im Netzersatzbetrieb.
Hinweis zur Konfiguration eines solchen Systems im Solarwatt-Manager:
- die Installation des 3-phasigen Chint-Meter DTSU (separates Zubehör) ist notwendig
- für eine korrekte Bilanzierung des Systems muss zwingend eine PV-Anlage angelegt werden, die in diesem Fall mit 0kW Leistung angelegt werden muss. Weitere Informationen zur Konfiguration des Inverter vision im Solarwatt-Manager sind im Onlinehandbuch des Managers zu finden
Hybrid-WR (Netzersatzbetrieb über WR)
Nutzung des Inverter vision one als Hybrid-Wechselrichter inklusive des Netzersatzbetriebes
Zusätzlich zu der in Variante 3 beschriebenen Anwendung als Hybridwechselrichter können einphasige Verbraucher hier auch bei Netzausfall weiter versorgt werden. Be der hier beschriebenen Variante kann ergänzend der Netz - 0 - Notstrom - Umschalter (oder auch Wartungsschalter) eingebaut werden, der Vorteil dieser Zubehörkomponente ist in den allgemeinen Planungshinweisen erläutert.
Es ist unbedingt auf die maximale Leistung der am backup-Ausgang des Wechselrichters angeschlossenen Verbraucher zu achten! Diese darf in der Gesamtleistung nicht überschritten werden. Achtung: dies gilt sowohl im Netzbetrieb als auch im Netzersatzbetrieb.
Für die weitere solare Optimierung einzelner Verbraucher bis hin zur Wärmepumpe und/oder die einphasige Ladung des Elektrofahrzeugs ist der Solarwatt Manager flex oder Manager rail als separates Zubehör die "must have" Ergänzung zum System. Dafür ist die Installation des 3-phasigen Chint-Meter DTSU (separates Zubehör) notwendig
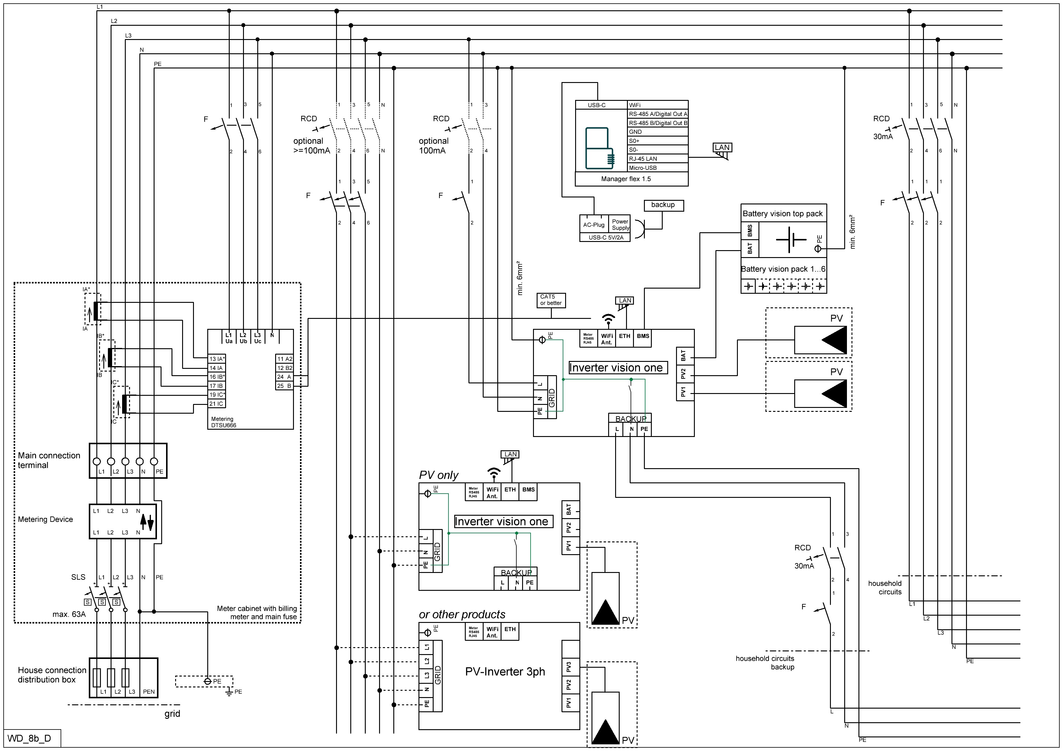
Batterie-WR (Ergänzung best. PV-Anlage)
Ergänzung des Inverter vision one als Batterie-Wechselrichter zu einer bestehenden PV-Anlage
Der Inverter vision one kann ohne den direkten Anschluss einer PV-Anlage als Batteriewechselrichter mit einer Battery vision zwischen 2 und 7 packs (5,2 - 18,2kWh) betrieben werden. Der hier beschriebene Anwendungsfall zeigt die Lösung für eine bestehende PV-Anlage, die durch einen Speicher ergänzt werden soll.
Bei der Installation ist der 3-phasige Chint-Meter DTSU (separates Zubehör) zu verwenden und zu beachten, dass der oder die bestehenden PV-Wechselrichter innerhalb des Bilanzierungskreises des Chint-Meters installiert sind, als "hausseitig" erfasst werden und damit die PV-Erzeugung und deren Überschuss zur Batterieladung genutzt wird.
Sollte die bestehende PV-Anlage 1-phasig sein, so muss der Inverter vision one mit der Battery vision auf derselben Phase eingebunden werden.
Hinweis zur Konfiguration eines solchen Systems im Solarwatt-Manager:
- für eine korrekte Bilanzierung des Systems ist neben Battery und Inverter vision auch die bestehende PV-Anlage zu konfigurieren. Weitere Informationen zur Konfiguration des Inverter vision im Solarwatt-Manager sind im Onlinehandbuch des Managers zu finden
Hybrid-WR (Ergänzung best. PV-Anlage)
Ergänzung des Inverter vision one als Hybrid-Wechselrichter zu einer bestehenden PV-Anlage
Der Inverter vision one mit angeschlossener PV-Anlage und einer Battery vision zwischen 2 und 7 packs (5,2 - 18,2kWh) kann als Hybridwechselrichter auch eine bestehende PV-Anlage ergänzen. Die Ergänzung eines Speichers wird somit mit einer gleichzeitigen Erweiterung der PV-Anlage verbunden.
Sollte die bestehende PV-Anlage 1-phasig sein, so muss der Inverter vision one mit der Battery vision auf derselben Phase eingebunden werden.
Wichtige Einstellungen im SOLARWATT Manager SmartSetup
Bei der Installation ist der 3-phasige Chint-Meter DTSU (separates Zubehör) zu verwenden und zu beachten, dass der oder die bestehenden PV-Wechselrichter innerhalb des Bilanzierungskreises des Chint-Meters installiert sind, als "hausseitig" erfasst werden und damit die PV-Erzeugung und deren Überschuss zur Batterieladung genutzt wird.
Für die weitere solare Optimierung einzelner Verbraucher bis hin zur Wärmepumpe und/oder die einphasige Ladung des Elektrofahrzeugs ist der SOLARWATT Manager als separates Zubehör die "must have" Ergänzung zum System.
Wichtige Einstellungen bei der Inbetriebnahme
Egal, ob Sie einen vorhandenen Inverter vision three/one mit einer Batterienachrüstung zum Hybrid-Wechselrichter umfunktionieren oder weiterhin als reinen PV Wechselrichter betreiben, bei der Inbetriebnahme der Wechselrichter muss folgendes über die Einstellungen an den Wechselrichtern sichergestellt sein:
- bei dem Wechselrichter, der als Hybrid-Wechselrichter verwendet wird, muss die Kommunikation zu Batterie und Zähler aktiviert sein (das ist per default beim Inverter vision three/one gegeben)
- bei dem Wechselrichter, der als PV-Wechselrichter verwendet wird
- falls es sich um einen Inverter vision one handelt, muss die Kommunikation zum Zähler über das Display des Wechselrichters deaktiviert werden
- falls es sich um einen Inverter vision three handelt, muss die Kommunikation zum Zähler und zur Batterie über das Display des Wechselrichters deaktiviert werden
Folgen Sie dafür den Anweisungen unter den beiden folgenden Links:
Einstellungen am Display des Inverter vision one zur Deaktivierung der Kommunikation zum Zähler
Einstellungen am Display des Inverter vision three zur Deaktivierung der Kommunikation zum Zähler
Einstellungen am Display des Inverter vision three zur Deaktivierung der Kommunikation zur Battery
Hybrid-WR (Netzersatzbetrieb über WR, Ergänzung best. PV-Anlage)
Ergänzung des Inverter vision one als Hybrid-Wechselrichter zu einer bestehenden PV-Anlage inklusive Netzersatzbetrieb
In der Variante 7 ist bereits die Kombination der Nutzung als Hybridwechselrichter inklusive der Ergänzung einer bestehenden PV-Anlage beschrieben, zusätzlich dazu können einphasige Verbraucher hier auch bei Netzausfall weiter versorgt werden. Bei der hier beschriebenen Variante kann ergänzend der Netz - 0 - Notstrom - Umschalter (oder auch Wartungsschalter) eingebaut werden, der Vorteil dieser Zubehörkomponente ist in den allgemeinen Planungshinweisen erläutert.
Es ist unbedingt auf die maximale Leistung der am backup-Ausgang des Wechselrichters angeschlossenen Verbraucher zu achten! Diese darf in der Gesamtleistung nicht überschritten werden. Achtung: dies gilt sowohl im Netzbetrieb als auch im Netzersatzbetrieb.
Sollte die bestehende PV-Anlage 1-phasig sein, so muss der Inverter vision one mit der Battery vision auf derselben Phase eingebunden werden.
Wichtige Einstellungen im SOLARWATT Manager SmartSetup
Bei der Installation ist der 3-phasige Chint-Meter DTSU (separates Zubehör) zu verwenden und zu beachten, dass der oder die bestehenden PV-Wechselrichter innerhalb des Bilanzierungskreises des Chint-Meters installiert sind, als "hausseitig" erfasst werden und damit die PV-Erzeugung und deren Überschuss zur Batterieladung genutzt wird.
Für die weitere solare Optimierung einzelner Verbraucher bis hin zur Wärmepumpe und/oder die einphasige Ladung des Elektrofahrzeugs ist der SOLARWATT Manager als separates Zubehör die "must have" Ergänzung zum System.
War diese Information hilfreich?







