- SOLARWATT Battery vision und Inverter vision
- Planung
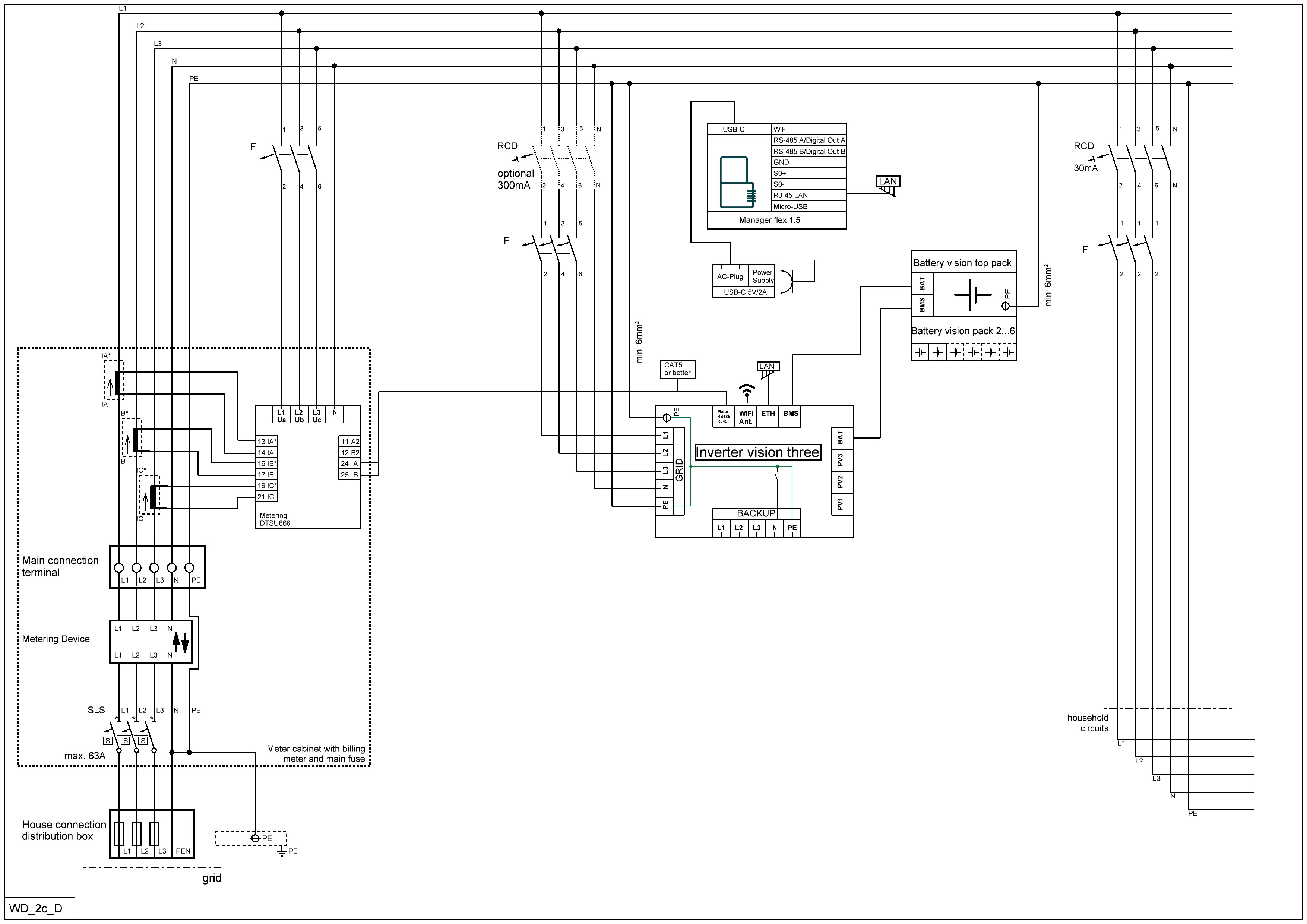
- Inverter vision three 3-phasiges Netz
Inverter vision three 3-phasiges Netz
für das Inhaltsverzeichnis auf '+' klicken
Allgemeine Planungshinweise
Diese Hinweise gelten übergeordnet für alle nachfolgenden Anwendungsbeispiele des Inverter vision three
Dimensionierungshinweise für Zu- und Abgänge Inverter vision three
Klemmen im Anschlussstecker des Inverter vision three sind bis 10 mm² Leiterquerschnitt geeignet.
Beispielhaft für die Verwendung von 5x6 mm² und 5x10 mm² und unter Beachtung des zulässigen Spannungsfalls für PV-Erzeuger [1 %] und Verbraucher [3 %, hier anteilig mit 2 % gerechnet] können folgende Kabellängen realisiert werden:
Übersicht für Erzeuger - 1 % Spannungsfall
| Leistungsklasse Wechselrichter [kW] | Länge [m] für Leiterquerschnitt 6 mm² | Länge [m] für Leiterquerschnitt 10 mm² |
15 | 16 | 28 |
12 | 20 | 35 |
10 | 25 | 42 |
8 | 31 | 53 |
6 | 41 | 70 |
5 | 49 | 84 |
Übersicht für Verbraucher - anteilig 2 % Spannungsfall
| Leistungsklasse Wechselrichter [kW] | Länge [m] für Leiterquerschnitt 6 mm² | Länge [m] für Leiterquerschnitt 10 mm² |
15 | 34 | 59 |
12 | 43 | 74 |
10 | 51 | 88 |
8 | 64 | 111 |
6 | 86 | 147 |
5 | 103 | 178 |
Leitungsschutz für Wechselrichterzuleitung und backup -Ausgang bei Nutzung von 6 mm² oder größer: 3-polig, maximal 32 A, C-Charakteristik
Achtung! Diese Angaben dienen als Dimensionierungshilfe und sind beispielhaft für bestimmte Annahmen zur Verlegeart (B2), Kabelhäufung (2), Umgebungstemperatur (30 °C) ermittelt. Die Eignung der empfohlenen Kabel ist in jedem Fall an Hand der spezifischen Bedingungen zu überprüfen.
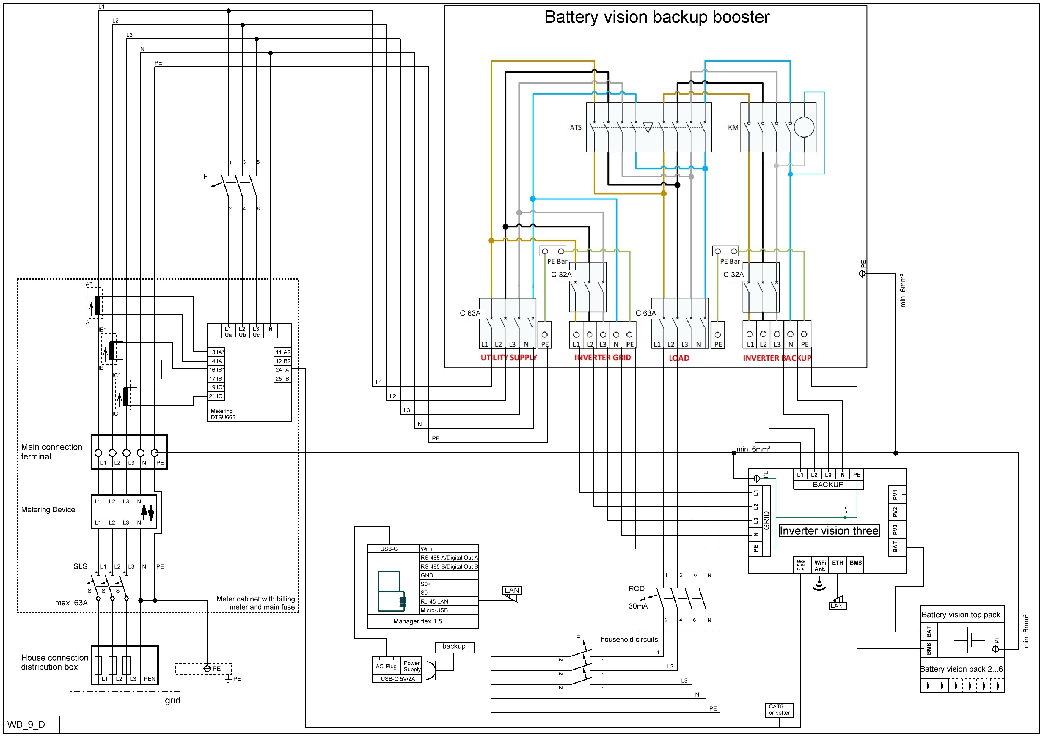
Bei Nutzung eines Battery vision backup booster
- kann für den backup - Ausgang des Inverter vision three nur ein Kabel mit einem Leiterquerschnitt von maximal 6 mm² verwendet werden (Begrenzung durch max. Klemmengröße im backup booster)
- ist der Leitungsschutz für die Wechselrichterzuleitung und den Backup - Ausgang im Battery vision backup booster eingebaut (32 A, C-Charakteristik).
Fehlerstrom-Schutzschalter (FI/RCD)
Vor dem Inverter einen Fehlerstromschutzschalter zu installieren, ist optional und richtet sich vornehmlich nach den länderspezifischen Vorgaben oder lokalen Anforderungen (z.B. individuellen Brandschutzvorgaben) für den Einsatz von Fehlerstromschutzschaltern.
Wenn ein Fehlerstromschutzschalter installiert wird, muss der Schalter einen Bemessungsfehlerstrom von mindestens 300 mA haben.
Dieser Planungsbereich bietet zu jeder jeweils geplanten Anlagenkonstellation Schaltpläne, die auch die optionalen Fehlerstrom-Schutzschalter enthalten.
Entscheidungshilfe zur Nutzung des Backup-Ausgangs des Inverters oder Einsatz des Battery vision backup boosters
Verbraucher oder ein ganzer Haushalt, der über den Backup-Ausgang des Inverter vision angeschlossen ist, wird im regulären Netzbetrieb wie auch im Netzersatzbetrieb mit der im Datenblatt des Inverter vision three unter der Überschrift „Netzersatzstrom“ angegeben Ausgangsleistung des gewählten Inverter vision bedient. Der Wert entspricht in etwa der Leistungsklasse des ausgewählten Wechselrichters, also ein 10 kW-Gerät kann auch 10 kW über den backup-Ausgang bereitstellen, zu beachten ist dabei, dass je Phase maximal 1/3 der Gesamtleistung bereit gestellt werden kann.
Unter Beachtung dieser Bedingung ist die Entscheidung zu treffen, ob das System mit der Zusatzkomponente Battery vision backup booster ausgestattet wird. Diese Komponente ermöglicht es, im regulären Netzbetrieb die angeschlossen Verbraucher oder einen ganzen Haushalt mit der vorhandenen Hausanschlussleistung zu versorgen. Im Netzersatzbetrieb beschränkt sich die Leistung auch in dieser Variante auf die o.g. Datenblattangabe.
Backup-Ausgang
Netzersatzbetrieb direkt aus dem Backup-Ausgang des Inverter vision ist sinnvoll wenn:
- der geplante Haushalt mit bis max. 15kW Leistung ausreichend versorgt ist und ein Inverter vision three 1.0 (15kW) eingesetzt werden kann
oder
- nur ein bis zwei größere Verbraucher (z.B. Wallbox und Wärmepumpe) die Leistungsbegrenzung durchbrechen würden und diese in der Hauptverteilung als nicht notstromversorgte Geräte separiert werden
oder
- Der Kunde nur wenige ausgewählte Stromkreise bei Netzausfall versorgen möchte, die über den Backup-Ausgang angeschlossen werden
oder
- Der Kunde lediglich eine Notstrom-Steckdose wünscht, die dann im regulären Netzbetrieb wie auch im Netzersatzbetrieb Energie für einzelne Verbraucher bereitstellt
Backup booster
Netzersatzbetrieb mit Nutzung des Battery vision backup booster:
- kann im regulären Netzbetrieb die vorhandene Hausanschlussleistung dem angeschlossenen Haushalt zur Verfügung stellen, die dafür vorgesehenen Ein- und Ausgänge des Battery vision backup booster sind mit 63A abgesichert
- kann im Netzersatzbetrieb die im Datenblatt des Inverter vision three unter der Überschrift „Netzersatzstrom“ angegeben Ausgangsleistung des gewählten Inverter vision bereitstellen, maximal 1/3 der Gesamtleistung je Phase
- stellt keine separate Abgangsklemme für nicht notstromversorgte Verbraucher innerhalb des backup booster zur Verfügung. Diese Verbraucher müssen, wenn vorhanden, durch geeignete Maßnahmen im Netzersatzbetrieb blockiert werden.
Entscheidungshilfe zur Nutzung eines Netz-0-Notstrom Umschalters oder Einsatz des Battery vision backup boosters
Alternativ zur Nutzung des Battery vision backup booster gibt eine einfache, manuelle Umschaltvariante, dafür kann der Netz - 0 - Notstrom Umschalter (auch als Wartungsschalter bezeichnet) verwendet werden. Dieser kann in Absprache mit dem Nutzer zwei verschiedene Grundstellungen haben. Die Frage, wann der Schalter betätigt werden muss, ist von dieser Entscheidung ab:
1. Manuelle Umschaltung in den Notstrombetrieb:
Schalter steht standardmäßig auf Stellung „Netz“ und versorgt die angeschlossenen Stromkreise direkt
--> Nutzer muss „bewußt“ bei Netzausfall in den Notstrombetrieb schalten
2. Manuelle Umschaltung zur direkten Netzversorgung:
Schalter steht standardmäßig auf Stellung „Notstrom“ und versorgt die angeschlossenen Stromkreise über den Wechselrichter, sowohl im Netzbetrieb als auch im Netzersatzbetrieb.
--> Umschalter dient als Wartungsschalter, um die am Backup-Ausgang des Wechselrichters angeschlossenen Stromkreise bei Ausfall und Austausch des Wechselrichters weiter Inverter.
Weiteres optionales Zubehör ergänzt das Battery & Inverter vision Produktsortiment und kann im Solarwatt-Shop separat bestellt werden:
- Batteriekabel 3m, 5m oder 10m --> Im Lieferumfang enthalten ist ein 1,5 m Kabel, um die Batterie mit dem Wechselrichter zu verbinden. Diese Länge ist ausreichend, wenn der Wechselrichter direkt über der Batterie installiert wird. Für andere Anordnungen sind die genannten Längen separat zu bestellen.
- Battery vision cable cover --> zur Verkleidung des seitlichen Anschlussbereiches am Battery vision top pack
- Überspannungsschutz DC, wahlweise für 2 MPP-Tracker oder 3 MPP-Tracker, um die PV-Eingänge des Inverter vision three zusätzlich zu schützen.
PV-WR
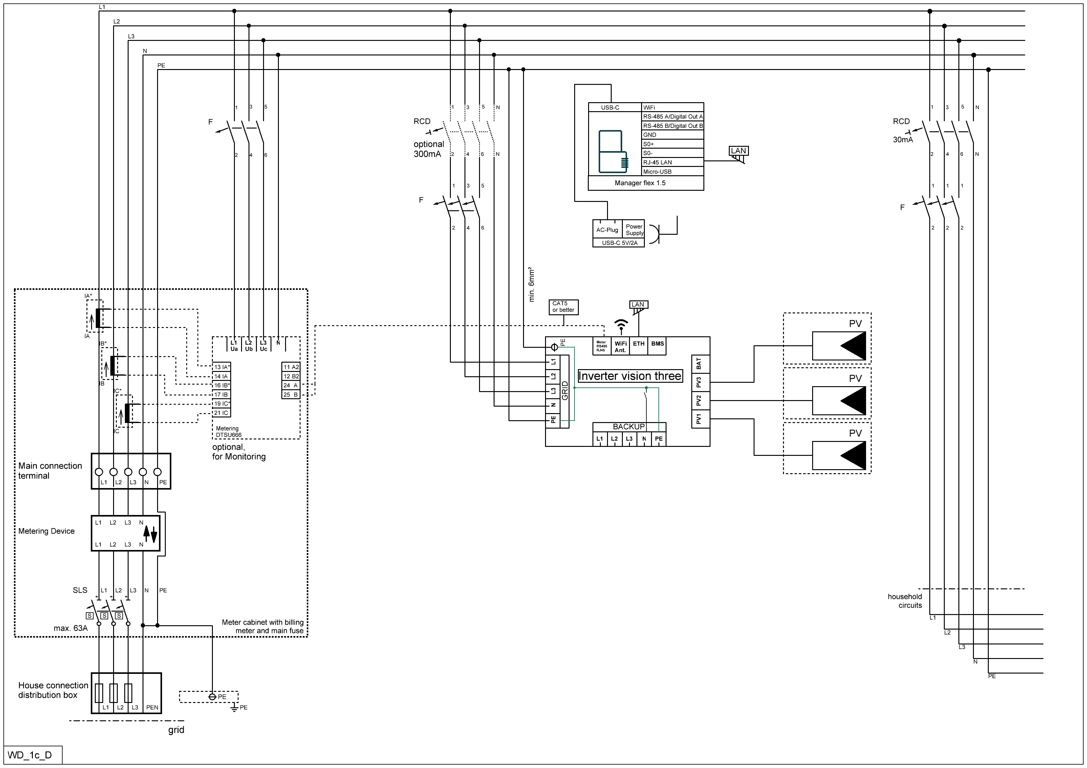
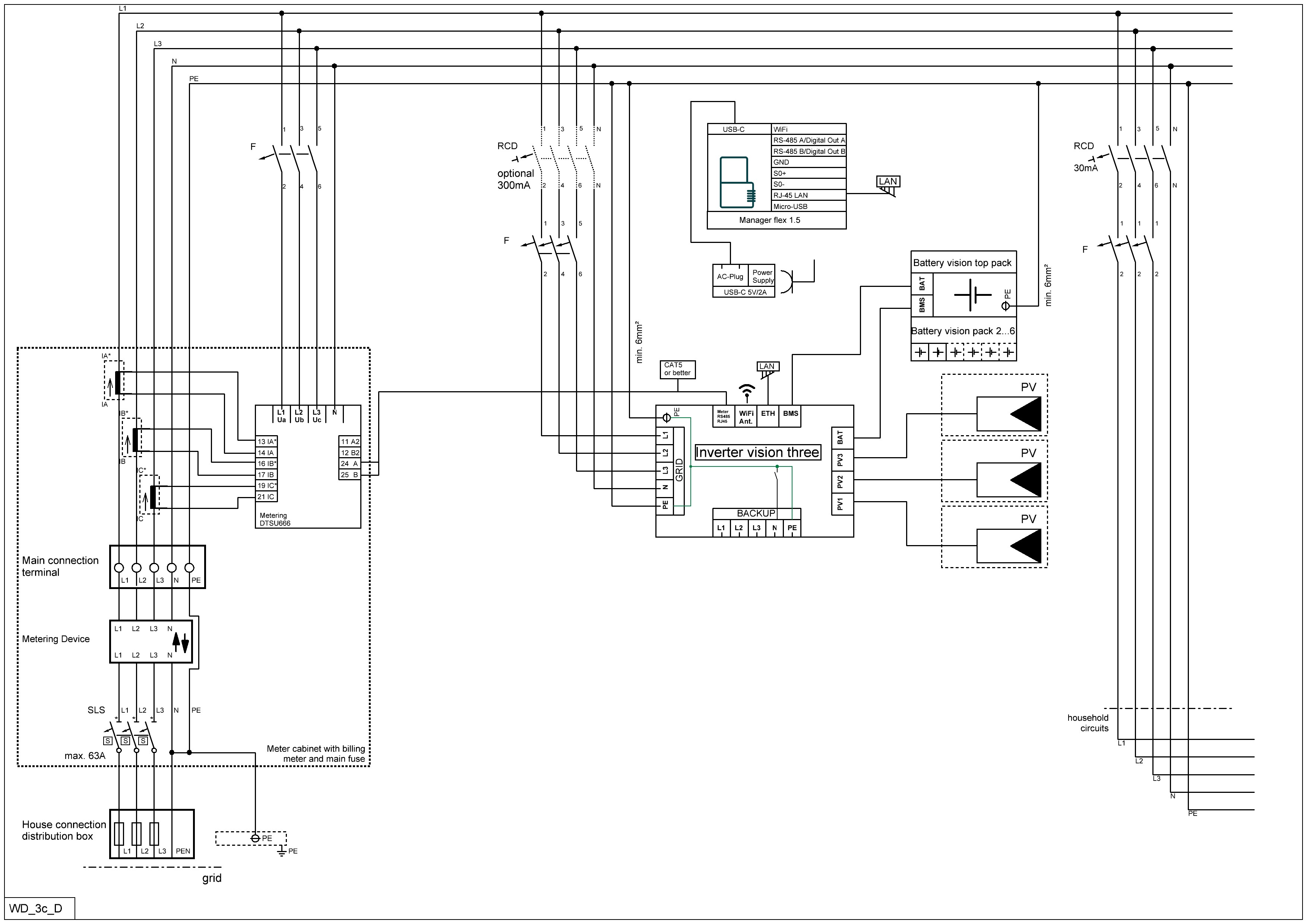
Nutzung des Inverter vision three als PV-Wechselrichter
Der Inverter vision three kann ohne den Anschluss einer Batterie als PV-Wechselrichter betrieben werden. Das kann sinnvoll sein, wenn beispielsweise der Speicher zu einem späteren Zeitpunkt nachgerüstet werden soll.
In dieser Konfiguration kann eine Optimierung des Eigenverbrauchs nur in der Form stattfinden, dass steuerbare Verbraucher bei PV-Überschuss zugeschaltet werden.
Wichtige Einstellungen im SOLARWATT Manager SmartSetup
Um die Gesamtenergiebilanz im SOLARWATT Manager portal und der SOLARWATT Home app darstellen zu können und steuerbare Verbraucher zu optimieren, ist die Installation des Chint-Meter (im Lieferumfang enthalten) und eines SOLARWATT Managers (separates Zubehör) notwendig.
Wichtige Einstellungen bei der Inbetriebnahme
Einstellungen am Display des Inverter vision three bei der Inbetriebnahme als reiner PV-Wechselrichter
Batterie-WR
Nutzung des Inverter vision three als Batterie-Wechselrichter
Der Inverter vision three kann ohne den Anschluss einer PV-Anlage als Batteriewechselrichter mit einer Battery vision zwischen 3 und 7 packs (7,8 - 18,2kWh) betrieben werden. Das kann sinnvoll sein, wenn beispielsweise der Speicher unter Ausnutzung dynamischer Tarifmodelle zur Optimierung von Stromkosten verwendet wird ("time of use") oder zur Verschiebung von Lastspitzen ("peakshaving") in ein Energiesystem eingebunden wird.
Für die genannten Anwendungsfälle ist die Installation des Chint-Meter (im Lieferumfang enthalten) und eines Mangers flex oder Manager rail (separates Zubehör) notwendig.
Hinweis zur Konfiguration eines solchen Systems im SOLARWATT Manager:
- für eine korrekte Bilanzierung des Systems muss zwingend eine PV-Anlage angelegt werden, die in diesem Fall mit 0kW Leistung angelegt werden muss. Weitere Informationen zur Konfiguration des Inverter vision im SOLARWATT Manager sind im Onlinehandbuch des Managers zu finden
Hybrid-WR
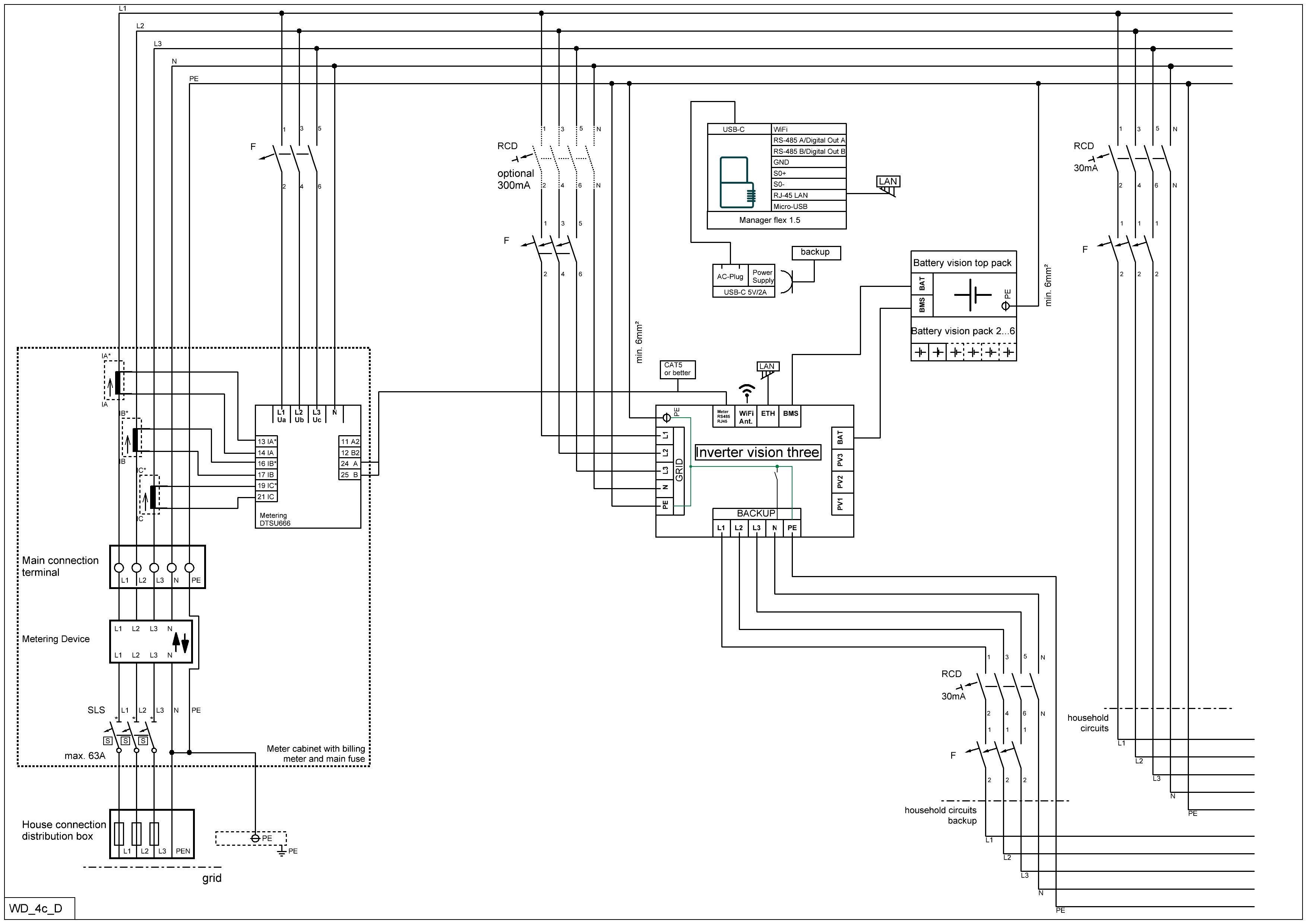
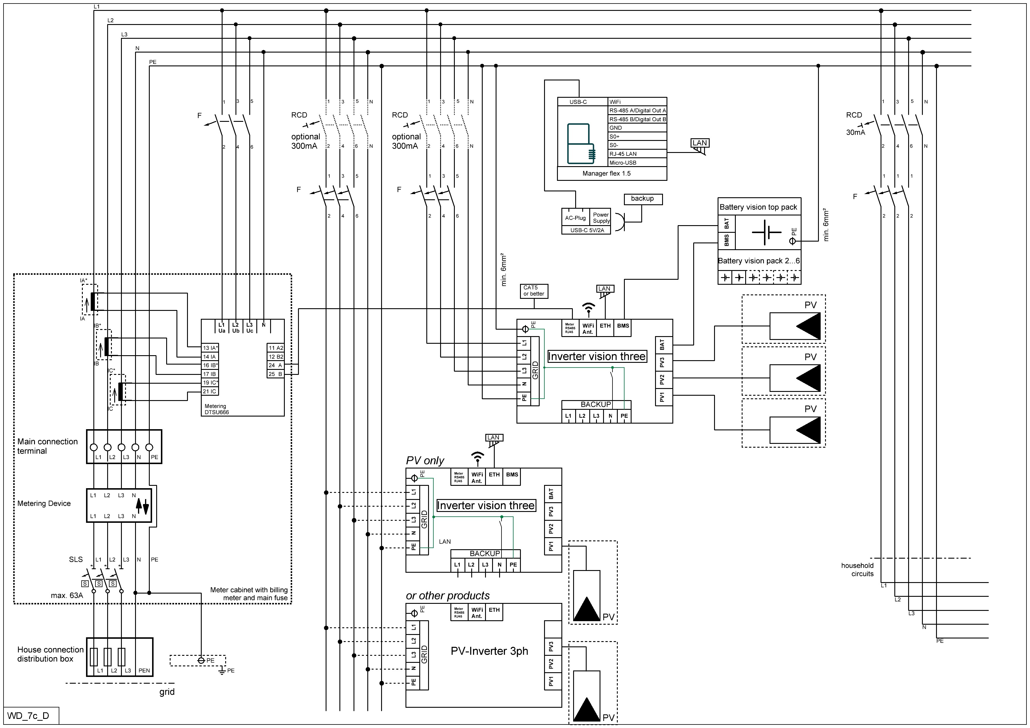
Nutzung des Inverter vision three als Hybrid-Wechselrichter
Der Inverter vision three mit angeschlossener PV-Anlage und einer Battery vision zwischen 3 und 7 packs (7,8 - 18,2kWh) ist die klassische Anwendung des Gerätes als Hybridwechselrichter. Es ist die sinnvollste Lösung für die Herstellung eines möglichst hohen Autarkiegrades für eine häusliche Energieversorgung.
Für die weitere solare Optimierung einzelner Verbraucher bis hin zur Wärmepumpe und/oder die Ladung des Elektrofahrzeugs ist der Solarwatt Manger flex oder Manager rail als separates Zubehör die "must have" Ergänzung zum System.
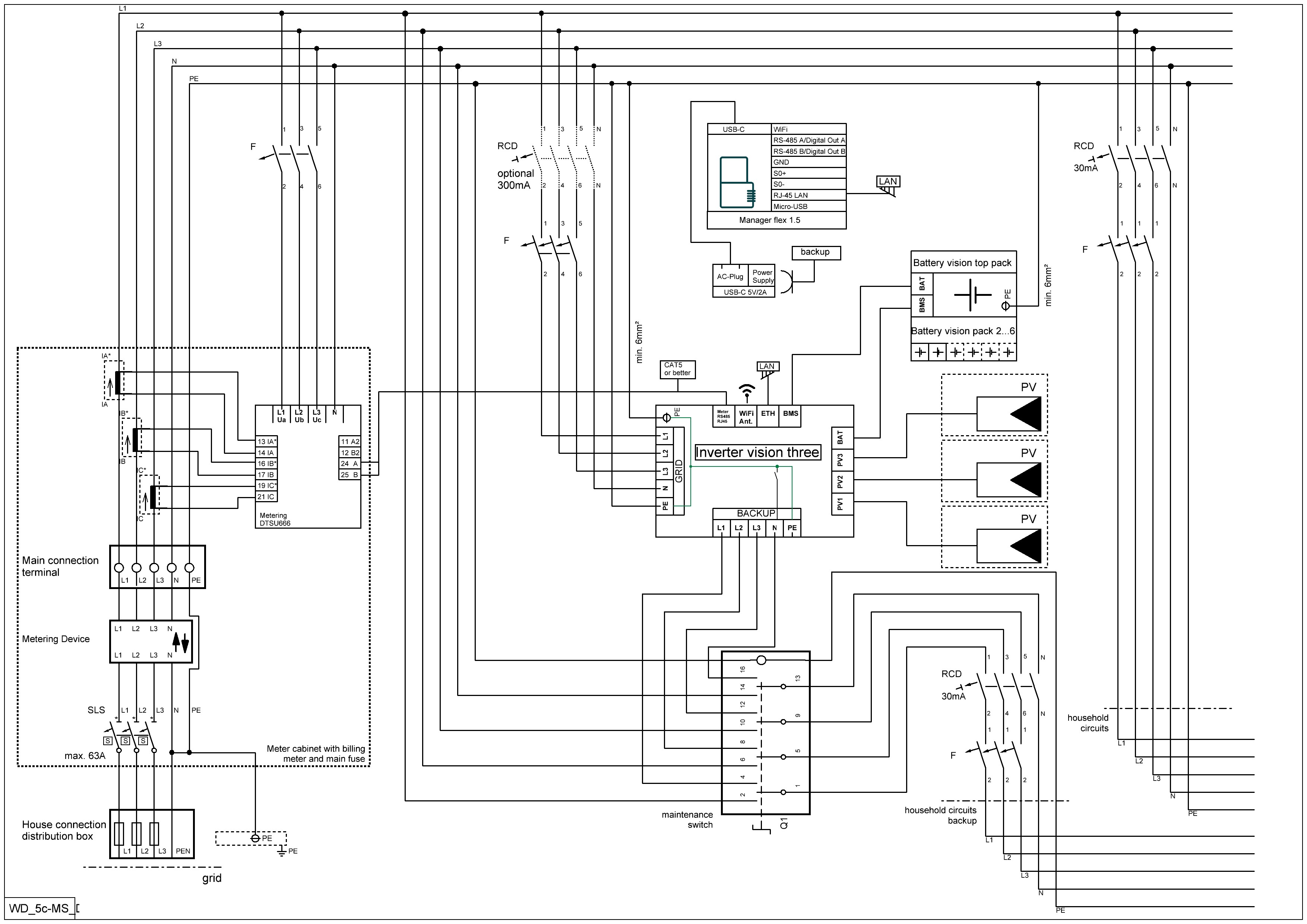
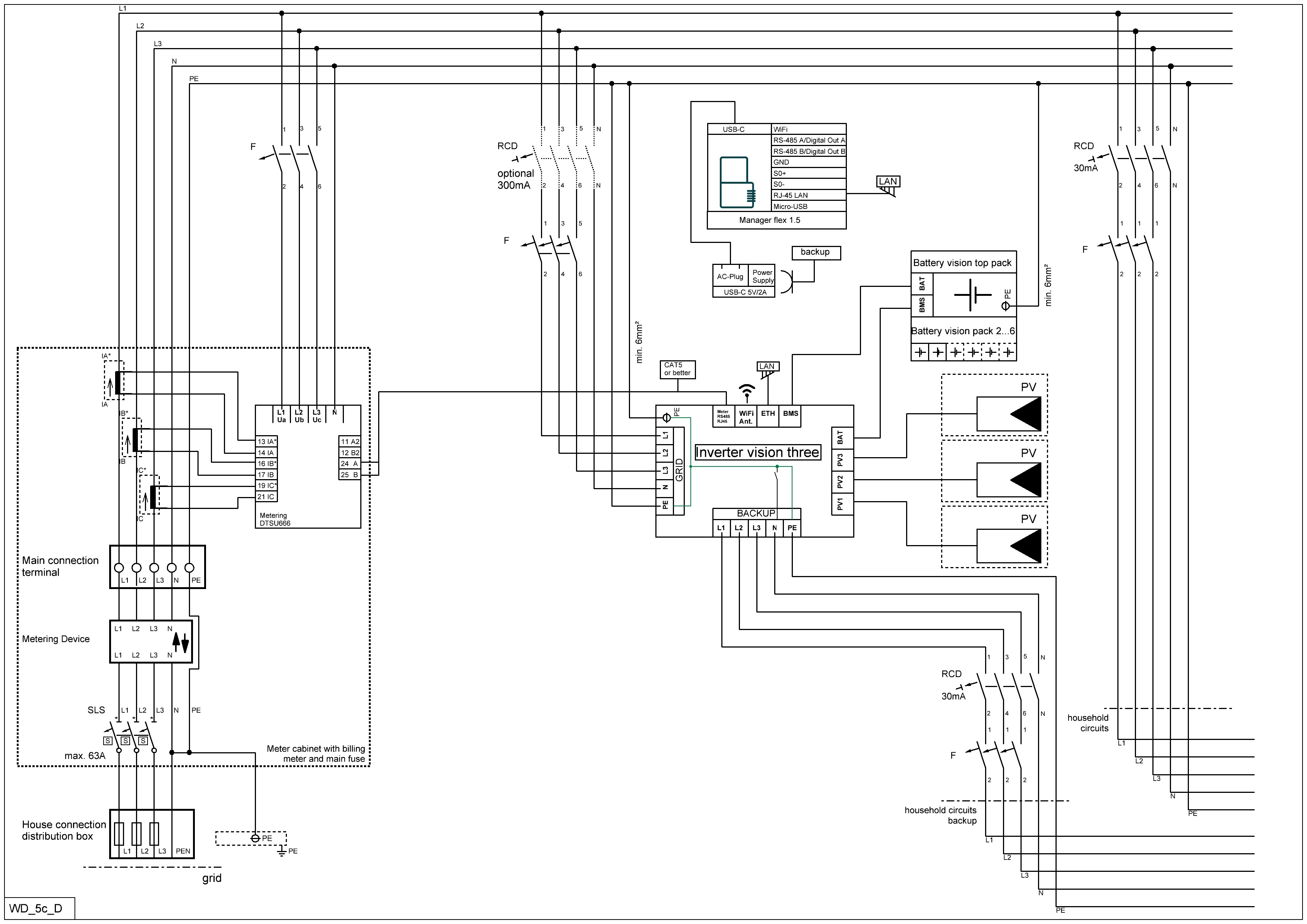
Batterie-WR (NEB* über WR)
Nutzung des Inverter vision three als Batterie-Wechselrichter inklusive des Netzersatzbetriebes (NEB)
Zusätzlich zu den Anwendungen für den Batteriewechselrichter aus Variante 2 können Verbraucher oder ein gesamter Haushalt hier auch bei Netzausfall weiter versorgt werden. Die hier beschriebene Variante ist ohne den Battery vision backup booster konzipiert, als sinnvolle Ergänzung kann der Netz - 0 - Notstrom - Umschalter (oder auch Wartungsschalter) eingebaut werden, der Vorteil dieser Zubehörkomponente ist in den allgemeinen Planungshinweisen erläutert.
Es ist unbedingt auf die maximale Leistung der am backup-Ausgang des Wechselrichters angeschlossenen Verbraucher zu achten! Diese darf sowohl in der Gesamtleistung als auch pro Phase (1/3 der Gesamtleistung) nicht überschritten werden. Achtung: dies gilt sowohl im Netzbetrieb also auch im Netzersatzbetrieb.
Hinweis zur Konfiguration eines solchen Systems im Solarwatt-Manager:
- für eine korrekte Bilanzierung des Systems muss zwingend eine PV-Anlage angelegt werden, die in diesem Fall mit 0kW Leistung angelegt werden muss. Weitere Informationen zur Konfiguration des Inverter vision im Solarwatt-Manager sind im Onlinehandbuch des Managers zu finden
Hybrid-WR (NEB* über WR)
Nutzung des Inverter vision three als Hybrid-Wechselrichter inklusive des Netzersatzbetriebes (NEB)
Zusätzlich zu der in Variante 3 beschriebenen Anwendung als Hybridwechselrichter können Verbraucher oder ein gesamter Haushalt hier auch bei Netzausfall weiter versorgt werden. Die hier beschriebene Variante ist ohne den Battery vision backup booster konzipiert, als sinnvolle Ergänzung kann der Netz - 0 - Notstrom - Umschalter (oder auch Wartungsschalter) eingebaut werden, der Vorteil dieser Zubehörkomponente ist in den allgemeinen Planungshinweisen erläutert.
Es ist unbedingt auf die maximale Leistung der am backup-Ausgang des Wechselrichters angeschlossenen Verbraucher zu achten! Diese darf sowohl in der Gesamtleistung als auch pro Phase (1/3 der Gesamtleistung) nicht überschritten werden. Achtung: dies gilt sowohl im Netzbetrieb also auch im Netzersatzbetrieb.
Für die weitere solare Optimierung einzelner Verbraucher bis hin zur Wärmepumpe und/oder die Ladung des Elektrofahrzeugs ist der Solarwatt Manger flex oder Manager rail als separates Zubehör die "must have" Ergänzung zum System.
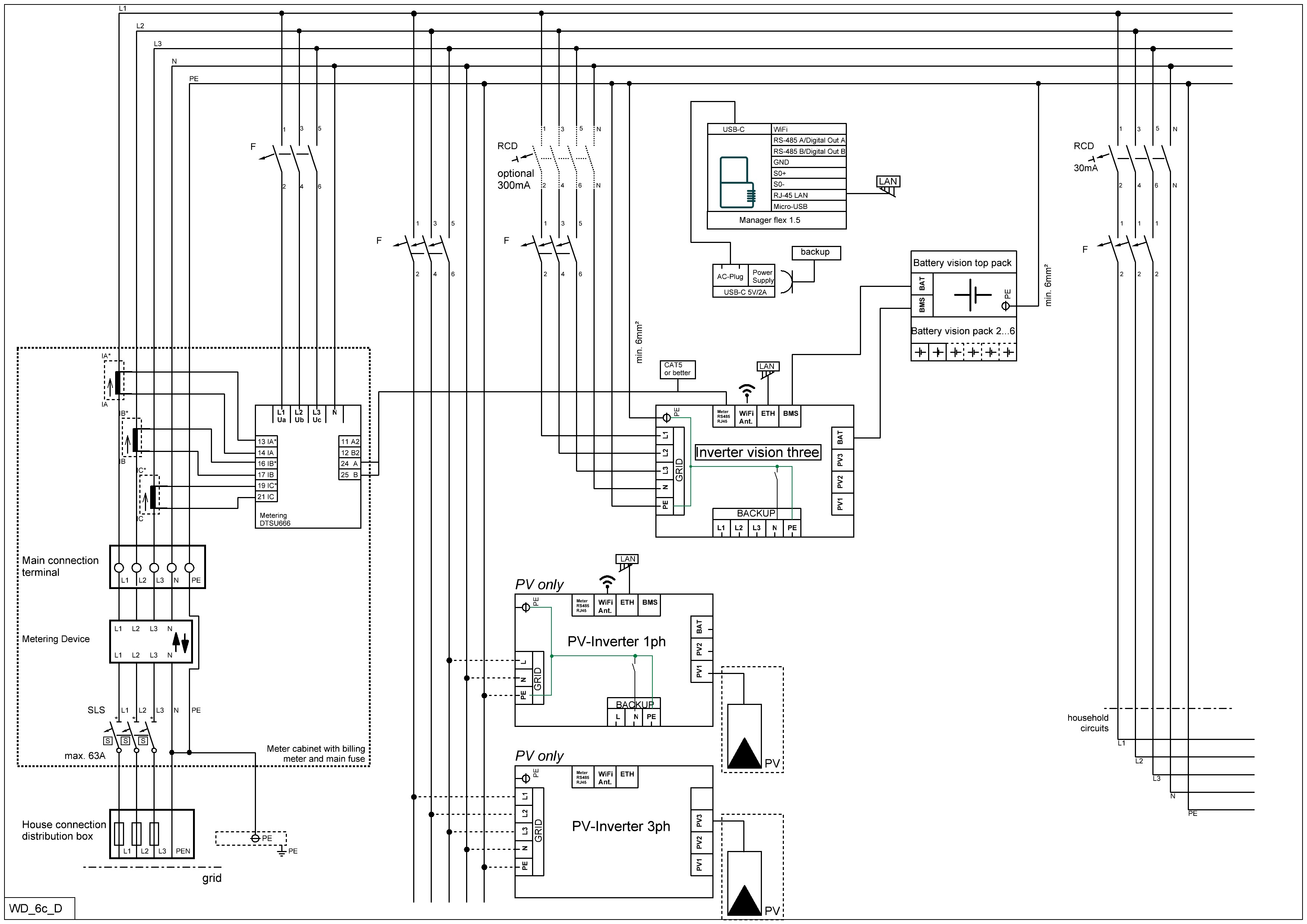
Batterie-WR (Ergänzung best. PV-Anlage)
Ergänzung des Inverter vision three als Batterie-Wechselrichter zu einer bestehenden PV-Anlage
Der Inverter vision three kann ohne den direkten Anschluss einer PV-Anlage als Batteriewechselrichter mit einer Battery vision zwischen 3 und 7 packs (7,8 - 18,2kWh) betrieben werden. Der hier beschriebene Anwendungsfall zeigt die Lösung für eine bestehende PV-Anlage, die durch einen Speicher ergänzt werden soll.
Bei der Installation des Chint-Meter (im Lieferumfang enthalten) ist zu beachten, dass der oder die bestehenden PV-Wechselrichter innerhalb des Bilanzierungskreises des Chint-Meters installiert sind, als "hausseitig" erfasst werden und damit die PV-Erzeugung und deren Überschuss zur Batterieladung genutzt wird.
Hinweis zur Konfiguration eines solchen Systems im Solarwatt-Manager:
- für eine korrekte Bilanzierung des Systems ist neben Battery und Inverter vision auch die bestehende PV-Anlage zu konfigurieren. Weitere Informationen zur Konfiguration des Inverter vision im Solarwatt-Manager sind im Onlinehandbuch des Managers zu finden
Hybrid-WR (Ergänzung best. PV-Anlage)
Ergänzung des Inverter vision three als Hybrid-Wechselrichter zu einer bestehenden PV-Anlage
Der Inverter vision three mit angeschlossener PV-Anlage und einer Battery vision zwischen 3 und 7 packs (7,8 - 18,2kWh) kann als Hybridwechselrichter auch eine bestehende PV-Anlage ergänzen. Die Ergänzung eines Speichers wird somit mit einer gleichzeitigen Erweiterung der PV-Anlage verbunden.
Wichtige Einstellungen im SOLARWATT Manager SmartSetup
Bei der Installation des Chint-Meter (im Lieferumfang enthalten) ist zu beachten, dass der oder die bestehenden PV-Wechselrichter innerhalb des Bilanzierungskreises des Chint-Meters installiert sind, als "hausseitig" erfasst werden und damit die PV-Erzeugung und deren Überschuss zur Batterieladung genutzt wird.
Für die weitere solare Optimierung einzelner Verbraucher bis hin zur Wärmepumpe und/oder die Ladung des Elektrofahrzeugs ist der SOLARWATT Manager als separates Zubehör die "must have" Ergänzung zum System.
Wichtige Einstellungen bei der Inbetriebnahme
Egal, ob Sie den vorhandenen Inverter vision three mit einer Batterienachrüstung zum Hybrid-Wechselrichter umfunktionieren oder weiterhin als reinen PV Wechselrichter betreiben, bei der Inbetriebnahme der Wechselrichter muss folgendes über die Einstellungen an den Wechselrichtern sichergestellt sein:
- bei dem Wechselrichter, der als Hybrid-Wechselrichter verwendet wird, muss die Kommunikation zu Batterie und Zähler aktiviert sein (das ist per default beim Inverter vision three gegeben)
- bei dem Wechselrichter, der als PV-Wechselrichter verwendet wird
- falls es sich um einen Inverter vision one handelt, muss die Kommunikation zum Zähler über das Display des Wechselrichters deaktiviert werden
- falls es sich um einen Inverter vision three handelt, muss die Kommunikation zum Zähler und zur Batterie über das Display des Wechselrichters deaktiviert werden
Folgen Sie dafür den Anweisungen unter den beiden folgenden Links:
Einstellungen am Display des Inverter vision one zur Deaktivierung der Kommunikation zum Zähler
Einstellungen am Display des Inverter vision three zur Deaktivierung der Kommunikation zum Zähler
Einstellungen am Display des Inverter vision three zur Deaktivierung der Kommunikation zur Battery
Hybrid-WR (NEB* über WR, Ergänzung best. PV-Anlage)
Ergänzung des Inverter vision three als Hybrid-Wechselrichter zu einer bestehenden PV-Anlage inklusive Netzersatzbetrieb (NEB)
In der Variante 7 ist bereits die Kombination der Nutzung als Hybridwechselrichter inklusive der Ergänzung einer bestehenden PV-Anlage beschrieben, zusätzlich dazu können Verbraucher oder ein gesamter Haushalt hier auch bei Netzausfall weiter versorgt werden. Die hier beschriebene Variante ist ohne den Battery vision backup booster konzipiert, als sinnvolle Ergänzung kann der Netz - 0 - Notstrom - Umschalter (oder auch Wartungsschalter) eingebaut werden, der Vorteil dieser Zubehörkomponente ist in den allgemeinen Planungshinweisen erläutert.
Es ist unbedingt auf die maximale Leistung der am backup-Ausgang des Wechselrichters angeschlossenen Verbraucher zu achten! Diese darf sowohl in der Gesamtleistung als auch pro Phase (1/3 der Gesamtleistung) nicht überschritten werden. Achtung: dies gilt sowohl im Netzbetrieb also auch im Netzersatzbetrieb.
Hybrid-WR (NEB* über WR, Ergänzung best. PV-Anlage im Backup Pfad)
Ergänzung des Inverter vision three als Hybrid-Wechselrichter inklusive Netzersatzbetrieb (NEB), bestehende PV-Anlage im Backup Pfad angeschlossen
In der Variante 7 ist bereits die Kombination der Nutzung als Hybridwechselrichter inklusive der Ergänzung einer bestehenden PV-Anlage beschrieben, zusätzlich dazu können Verbraucher, ein gesamter Haushalt oder eine bereits bestehende PV-Anlage hier auch bei Netzausfall weiter versorgt werden. Die hier beschriebene Variante ist ohne den Battery vision backup booster konzipiert, als sinnvolle Ergänzung kann der Netz - 0 - Notstrom - Umschalter (oder auch Wartungsschalter) eingebaut werden, der Vorteil dieser Zubehörkomponente ist in den allgemeinen Planungshinweisen erläutert.
Der Anschluss der bestehenden PV-Anlage im Backup Pfad ist nur möglich, wenn der Leistung des vorhandenen (Fremd-)Wechselrichters NICHT größer ist als die Leistung des neu installierten Inverter vision three.
ACHTUNG: Am Inverter vision three müssen für den Anschluss einer bestehenden PV-Anlage im Backup Pfad Einstellungen durch den Solarwatt Support vorgenommen werden.
Es ist unbedingt auf die maximale Leistung der am backup-Ausgang des Wechselrichters angeschlossenen Verbraucher zu achten! Diese darf sowohl in der Gesamtleistung als auch pro Phase (1/3 der Gesamtleistung) nicht überschritten werden. Achtung: dies gilt sowohl im Netzbetrieb also auch im Netzersatzbetrieb.
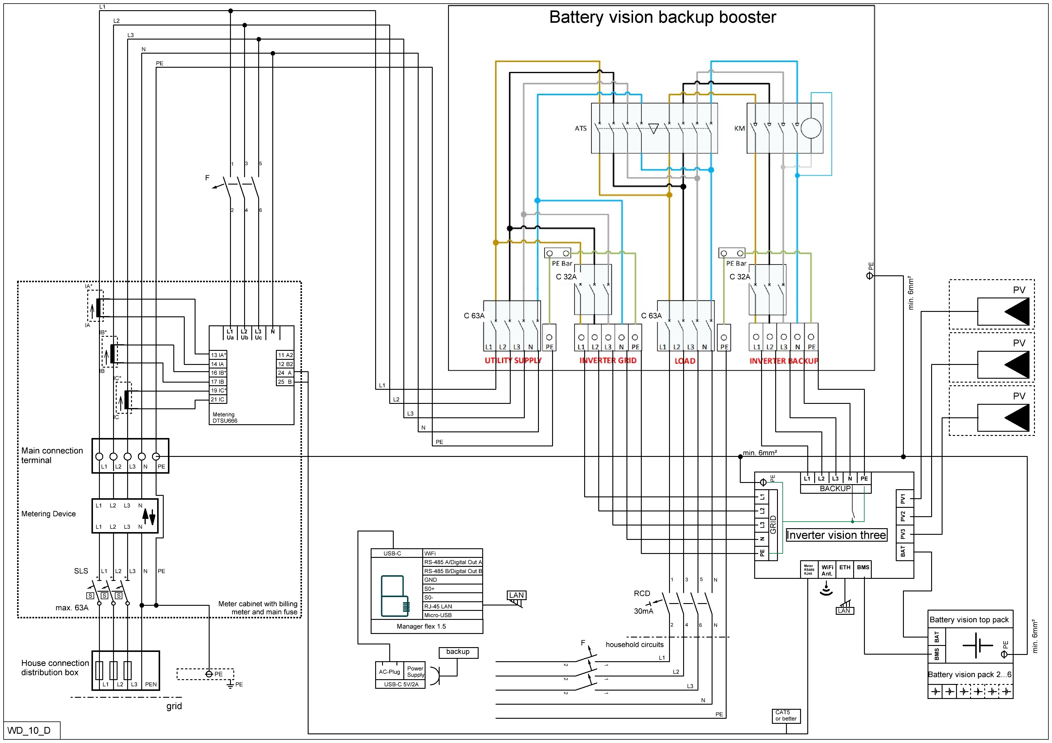
Batterie-WR (NEB* über backup booster)
Nutzung des Inverter vision three als Batterie-Wechselrichter inklusive des Netzersatzbetriebes (NEB) über Battery vision backup booster
Zusätzlich zu den Anwendungen für den Batteriewechselrichter aus Variante 4 können Verbraucher oder ein gesamter Haushalt hier auch bei Netzausfall weiter versorgt werden. Die hier beschriebene Variante zeigt das Konzept mit dem Battery vision backup booster. Der Vorteil dieser Zubehörkomponente ist in den allgemeinen Planungshinweisen erläutert.
Im Unterschied zu den Varianten ohne Battery vision backup booster ist hier lediglich auf die maximale Leistung der Verbraucher zu achten, die auch im Netzersatzbetrieb versorgt werden sollen. Diese dürfen sowohl in der Gesamtleistung als auch pro Phase (1/3 der Gesamtleistung) die Wechselrichterleistung nicht überscheiten. Für den normalen Netzbetrieb gibt es keine Limitierung durch den Wechselrichter.
Hinweis zur Konfiguration eines solchen Systems im Solarwatt-Manager:
- für eine korrekte Bilanzierung des Systems muss zwingend eine PV-Anlage angelegt werden, die in diesem Fall mit 0kW Leistung angelegt werden muss. Weitere Informationen zur Konfiguration des Inverter vision im Solarwatt-Manager sind im Onlinehandbuch des Managers zu finden
Hybrid-WR (NEB* über backup booster)
Nutzung des Inverter vision three als Hybrid-Wechselrichter inklusive des Netzersatzbetriebes (NEB) über Battery vision backup booster
Zusätzlich zu der in Variante 3 beschriebenen Anwendung als Hybridwechselrichter können Verbraucher oder ein gesamter Haushalt hier auch bei Netzausfall weiter versorgt werden. Die hier beschriebene Variante zeigt das Konzept mit dem Battery vision backup booster. Der Vorteil dieser Zubehörkomponente ist in den allgemeinen Planungshinweisen erläutert.
Im Unterschied zu den Varianten ohne Battery vision backup booster ist hier lediglich auf die maximale Leistung der Verbraucher zu achten, die auch im Netzersatzbetrieb versorgt werden sollen. Diese dürfen sowohl in der Gesamtleistung als auch pro Phase (1/3 der Gesamtleistung) die Wechselrichterleistung nicht überscheiten. Für den normalen Netzbetrieb gibt es keine Limitierung durch den Wechselrichter.
Für die weitere solare Optimierung einzelner Verbraucher bis hin zur Wärmepumpe und/oder die Ladung des Elektrofahrzeugs ist der Solarwatt Manger flex oder Manager rail als separates Zubehör die "must have" Ergänzung zum System.
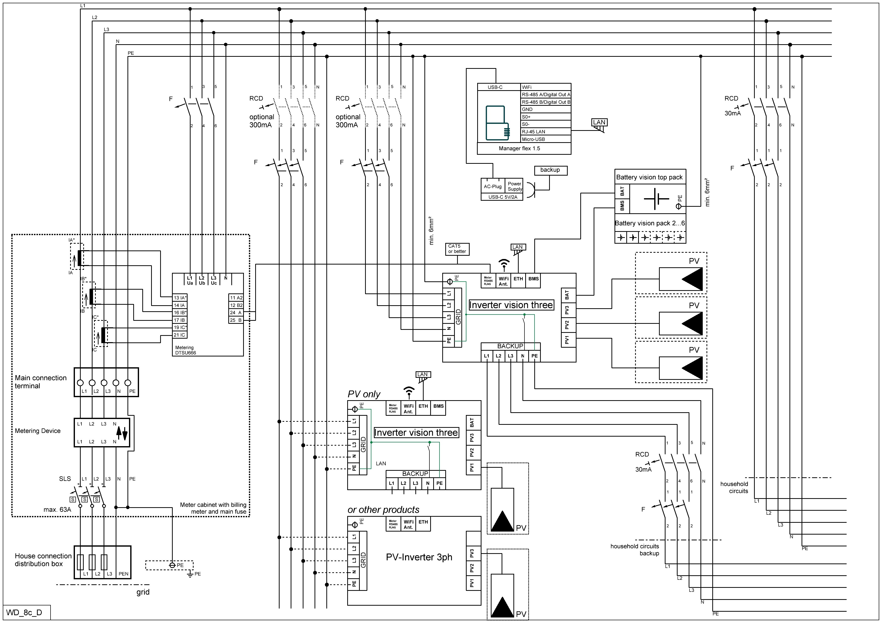
Hybrid-WR (NEB* über backup booster, Ergänzung best. PV-Anlage im Backup Pfad)
Nutzung des Inverter vision three als Hybrid-Wechselrichter und als Ergänzung zu einer bestehenden PV-Anlage inklusive des Netzersatzbetriebes über Battery vision backup booster
Der Inverter vision three mit angeschlossener PV-Anlage und einer Battery vision zwischen 3 und 7 packs (7,8 - 18,2kWh) kann als Hybridwechselrichter auch eine bestehende PV-Anlage ergänzen. Zusätzlich können Verbraucher oder ein gesamter Haushalt hier auch bei Netzausfall weiter versorgt werden.
Der Anschluss der bestehenden PV-Anlage im Backup Pfad ist nur möglich, wenn der Leistung des vorhandenen (Fremd-)Wechselrichters NICHT größer ist als die Leistung des neu installierten Inverter vision three.
ACHTUNG: Am Inverter vision three müssen für den Anschluss einer bestehenden PV-Anlage im Backup Pfad Einstellungen durch den Solarwatt Support vorgenommen werden.
Im Unterschied zu den Varianten ohne Battery vision backup booster ist hier lediglich auf die maximale Leistung der Verbraucher zu achten, die auch im Netzersatzbetrieb versorgt werden sollen. Diese dürfen sowohl in der Gesamtleistung als auch pro Phase (1/3 der Gesamtleistung) die Wechselrichterleistung nicht überscheiten. Für den normalen Netzbetrieb gibt es keine Limitierung durch den Wechselrichter.
Wichtige Einstellungen bei der Inbetriebnahme
Egal, ob Sie den vorhandenen Inverter vision three mit einer Batterienachrüstung zum Hybrid-Wechselrichter umfunktionieren oder weiterhin als reinen PV Wechselrichter betreiben, bei der Inbetriebnahme der Wechselrichter muss folgendes über die Einstellungen an den Wechselrichtern sichergestellt sein:
- bei dem Wechselrichter, der als Hybrid-Wechselrichter verwendet wird, muss die Kommunikation zu Batterie und Zähler aktiviert sein (das ist per default beim Inverter vision three gegeben)
- bei dem Wechselrichter, der als PV-Wechselrichter verwendet wird (falls es sich um einen Inverter vision handelt) muss die Kommunikation zum Zähler und zur Batterie über das Display des Wechselrichters deaktiviert werden
Folgen Sie dafür den Anweisungen unter den beiden folgenden Links:
Einstellungen am Display des Inverter vision three zur Deaktivierung der Kommunikation zum Zähler
Einstellungen am Display des Inverter vision three zur Deaktivierung der Kommunikation zur Battery
Wichtige Einstellungen im SOLARWATT Manager SmartSetup
Bei der Installation des Chint-Meter (im Lieferumfang enthalten) ist zu beachten, dass der oder die bestehenden PV-Wechselrichter innerhalb des Bilanzierungskreises des Chint-Meters installiert sind, als "hausseitig" erfasst werden und damit die PV-Erzeugung und deren Überschuss zur Batterieladung genutzt wird.
Für die weitere solare Optimierung einzelner Verbraucher bis hin zur Wärmepumpe und/oder die Ladung des Elektrofahrzeugs ist der SOLARWATT Manager als separates Zubehör die "must have" Ergänzung zum System.
Hybrid-WR (NEB* über backup booster, best. PV-Anlage)
Nutzung des Inverter vision three als Hybrid-Wechselrichter und als Ergänzung zu einer bestehenden PV-Anlage inklusive des Netzersatzbetriebes (NEB) über Battery vision backup booster
Der Inverter vision three mit angeschlossener PV-Anlage und einer Battery vision zwischen 3 und 7 packs (7,8 - 18,2kWh) kann als Hybridwechselrichter auch eine bestehende PV-Anlage ergänzen. Zusätzlich können Verbraucher oder ein gesamter Haushalt hier auch bei Netzausfall weiter versorgt werden.
Im Unterschied zu den Varianten ohne Battery vision backup booster ist hier lediglich auf die maximale Leistung der Verbraucher zu achten, die auch im Netzersatzbetrieb versorgt werden sollen. Diese dürfen sowohl in der Gesamtleistung als auch pro Phase (1/3 der Gesamtleistung) die Wechselrichterleistung nicht überscheiten. Für den normalen Netzbetrieb gibt es keine Limitierung durch den Wechselrichter.
Wichtige Einstellungen bei der Inbetriebnahme
Egal, ob Sie den vorhandenen Inverter vision three mit einer Batterienachrüstung zum Hybrid-Wechselrichter umfunktionieren oder weiterhin als reinen PV Wechselrichter betreiben, bei der Inbetriebnahme der Wechselrichter muss folgendes über die Einstellungen an den Wechselrichtern sichergestellt sein:
- bei dem Wechselrichter, der als Hybrid-Wechselrichter verwendet wird, muss die Kommunikation zu Batterie und Zähler aktiviert sein (das ist per default beim Inverter vision three gegeben)
- bei dem Wechselrichter, der als PV-Wechselrichter verwendet wird (falls es sich um einen Inverter vision handelt) muss die Kommunikation zum Zähler und zur Batterie über das Display des Wechselrichters deaktiviert werden
Folgen Sie dafür den Anweisungen unter den beiden folgenden Links:
Einstellungen am Display des Inverter vision three zur Deaktivierung der Kommunikation zum Zähler
Einstellungen am Display des Inverter vision three zur Deaktivierung der Kommunikation zur Battery
Wichtige Einstellungen im SOLARWATT Manager SmartSetup
Bei der Installation des Chint-Meter (im Lieferumfang enthalten) ist zu beachten, dass der oder die bestehenden PV-Wechselrichter innerhalb des Bilanzierungskreises des Chint-Meters installiert sind, als "hausseitig" erfasst werden und damit die PV-Erzeugung und deren Überschuss zur Batterieladung genutzt wird.
Für die weitere solare Optimierung einzelner Verbraucher bis hin zur Wärmepumpe und/oder die Ladung des Elektrofahrzeugs ist der SOLARWATT Manager als separates Zubehör die "must have" Ergänzung zum System.
War diese Information hilfreich?

















