- SOLARWATT Battery vision und Inverter vision
- Installation
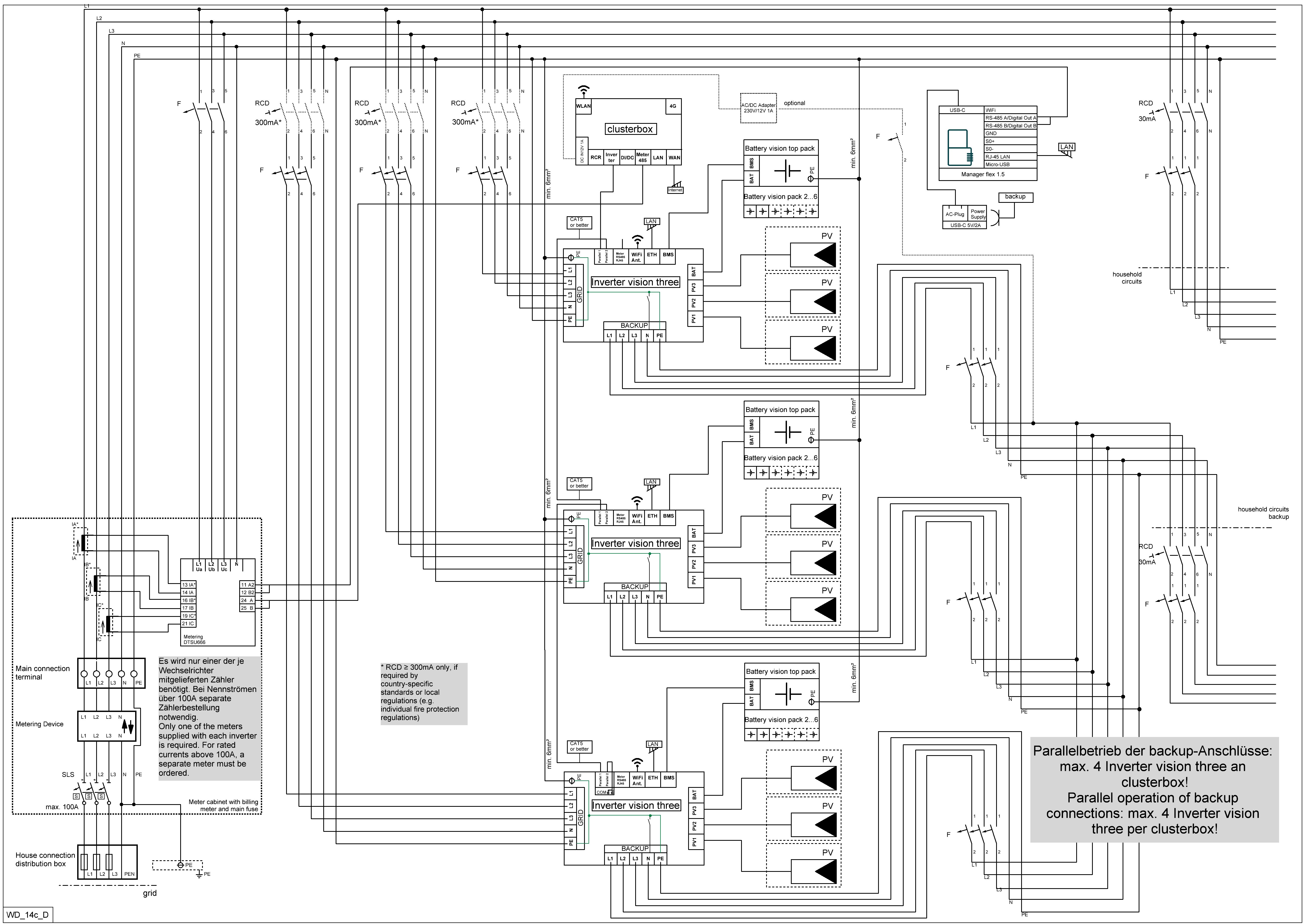
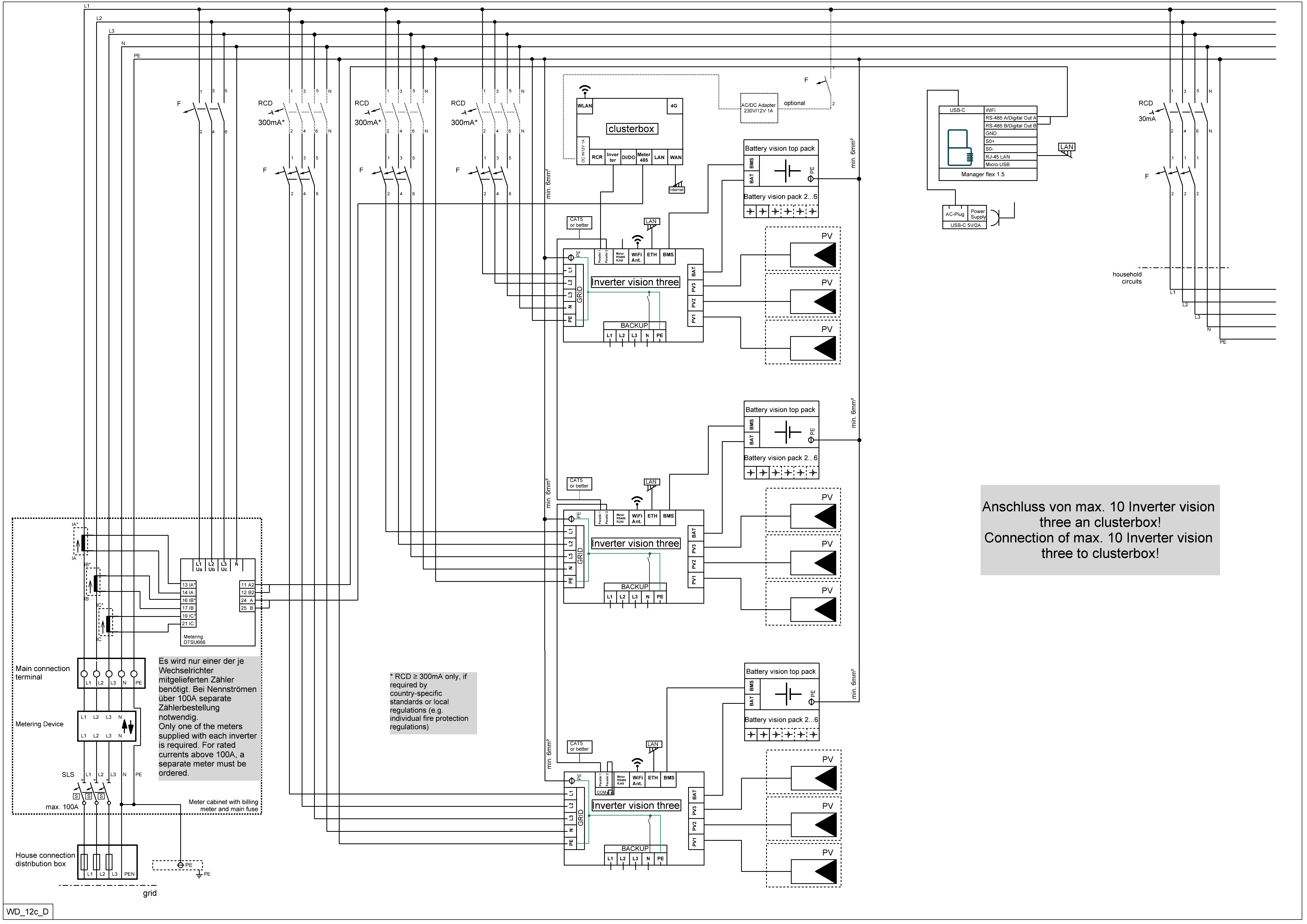
- Cluster Inverter vision three
Cluster Inverter vision three
Die Seite beschreibt den Aufbau eines Energiesystems mit mehreren Inverter vision three Geräten. Die Battery vision clusterbox ermöglicht dabei den gemeinsamen Betrieb der Wechselrichter.
Installation der Wechselrichter
- Installation der Wechselrichter Geräte entsprechend der Installationsanleitung
- ACHTUNG: der Schritt Kommunikation zum Zähler anschließen entfällt für die Einzelgeräte
- Max. Abstand 50 m zwischen erstem und letztem Wechselrichter beachten
- Wechselrichter-Geräte noch nicht nicht in Betrieb nehmen!
Montage der Clusterbox
Beachten Sie alle Sicherheitshinweise und Anforderungen an den Installateur.
Beachten Sie die Vorgaben zum Montageort und den maximalen und minimalen Montageabständen für die Clusterbox.
Beachten Sie die Angaben für zusätzlich benötigtes Zubehör für die Clusterbox Installation.
- Befestigungspunkte markieren
- Clusterbox mit Schrauben befestigen
Installation des Clustersystems
Beachten Sie die Angaben zu Kabelanforderungen für die Kommunikationsverbindungen zwischen den Geräten.
- Kommunikationskabel an den Inverter Ausgang der Clusterbox anschließen und mit dem ersten Wechselrichter verbinden
- Zum Schutz des Anschlusses bei Feuchtraum- und Außeninstallationen sind die im Lieferumfang enthaltenen Steckergehäuse zu verwenden
Hinweis: beim Einsatz eines Verlegekabels passen selbst konfektionierte Stecker u.U. nicht durch die Steckergehäuse. Stellen Sie dann sicher, dass die eingesetzten Stecker für den Außenbereich entsprechend UV- und witterungsbeständig sind und die erforderliche IP-Schutzart IP65 eingehalten wird.
- Kommunikation zwischen den Wechselrichtern verbinden
- Die Wechselrichter noch nicht starten!
ACHTUNG: Der folgende Schritt ist nur notwendig, wenn die Seriennummer des letzten Inverters an der 9ten bis 11ten Stelle eine der in der Tabelle aufgelisteten Zeichenkombinationen aufweist. ‚(...)‘ kann dabei für Buchstaben und Ziffern stehen.
Beispiele:
xxxxxxxx48Axxx --> Verbindung gem. nächster Schritt herstellen
xxxxxxxx52Dxxx --> Verbindung gem. nächster Schritt herstellen
xxxxxxxx57Jxxx --> Verbindung gem. nächster Schritt muss nicht hergestellt werden
- Pin 1 und 2 des letzten RJ45-Steckers mit Pin 5 bzw. 6 des Kommunikationssteckers verbinden
- Die beiden DIP-Schalter am Stecker des letzten Wechselrichters auf ON stellen
- Wasserdichten RJ45-Adapter anbringen
- Zähler mit der Clusterbox verbinden
- Wasserdichten RJ45-Adapter anbringen
- Clusterbox mit dem Router verbinden
Verwenden Sie NICHT die LAN-Buchse. Sie ist nur für Wartungszwecke vorgesehen!
Im Ausnahmefall kann über die Einstellungen im Clusterbox WebUI eine WLAN-Verbindung für eine kabellose Bindung zu einem WLAN in der Umgebung der Clusterbox aufgebaut werden.
Anbindung an den Manager
Hinweis zur Anbindung an einen SOLARWATT Manager:
- Bei Errichtung eines Clusters benötigt der SOLARWATT Manager die Daten vom Netzanschlusspunkt über eine direkte Verbindung.
- Der DTSU 666 duo RS485 CT 100A verfügt über zwei RS485 Schnittstellen.
- Beim Einsatz des DTSU 666 RS485 CT 200A benötigt man jedoch einen zweiten Zähler für die Manageranbindung. Dafür eignet sich der Shelly pro 3EM.
- Verbindung zwischen Zähler und Manager herstellen
- Zusätzliche Spannungsversorgung einrichten
- Überprüfen Sie, ob alle Geräte sicher und zuverlässig installiert sind.
- Überprüfen Sie, ob alle Kabel korrekt, sicher und zuverlässig angeschlossen sind.
Anschluss an der CLS-Steuerbox
Notwendige Vorbereitungen für Anschluss per CLS-Steuerbox
Verantwortung Messstellenbetreiber (Netzbetreiber):
- Installation Smart Meter: Basiszähler + Smart Meter Gateway (4 TE)
- Installation Steuerbox: digitale CLS-Steuerbox bzw. analoge Relaissteuerbox (4 TE - freies RfZ-Feld)
- Veröffentlichung von Technischen Anschlussbedingungen (TAB) / Hilfestellungen
Verantwortung Installateur
- Prüfung der aktuellen Technischen Anschlussbedingungen (TAB) des jeweiligen Netzbetreibers
- Vorbereitung Schaltschrank:
- Spannungsversorgung herstellen
- Datenverbindung für digitale CLS Steuerbox herstellen
- Trennklemme für analoge Steuerbox (wenn in TAB vorgeschrieben)
Beachten Sie die Anforderungen an den Kabeltyp für die Kommunikationsverbindung zwischen Wechselrichter und Steuerbox unter Benötigtes Zubehör und Werkzeuge.
- Datenkabel an den RCR Ausgang der Clusterbox anschließen
Steuerbox nach FNN-Vorgaben: Detaillierte Angaben zum Anschluss entnehmen Sie den Vorgaben des Messstellenbetreibers bzw. Netzbetreibers
- Adern des Datenkabels von der Clusterbox kommend an die Kontakte der Steuerbox anschließen, ggf. über eine Trennklemme geführt.
- Freigaberelais im anlagenseitigen Anschlussraum (AAR) installieren
Weitere Schritte:
Fortfahren mit der Inbetriebnahme Clusterbox
Fortfahren mit Inbetriebnahme als steuerbarer Verbraucher
Anschluss am Funkrundsteuerempfänger
- Datenkabel an den RCR Ausgang der Clusterbox anschließen
- Zum Schutz des Anschlusses bei Feuchtraum- und Außeninstallationen sind die im Lieferumfang des Wechselrichters enthaltenen Steckergehäuse zu verwenden
Hinweis: beim Einsatz eines Verlegekabels passen selbst konfektionierte Stecker u.U. nicht durch die Steckergehäuse. Stellen Sie dann sicher, dass die eingesetzten Stecker für den Außenbereich entsprechend UV- und witterungsbeständig sind und die erforderliche IP-Schutzart IP65 eingehalten wird.
- Adern des Datenkabels von der Clusterbox kommend an die Kontakte des Funkrundsteuerempfängers anschließen
War diese Information hilfreich?














