- SOLARWATT Battery vision und Inverter vision
- Installation
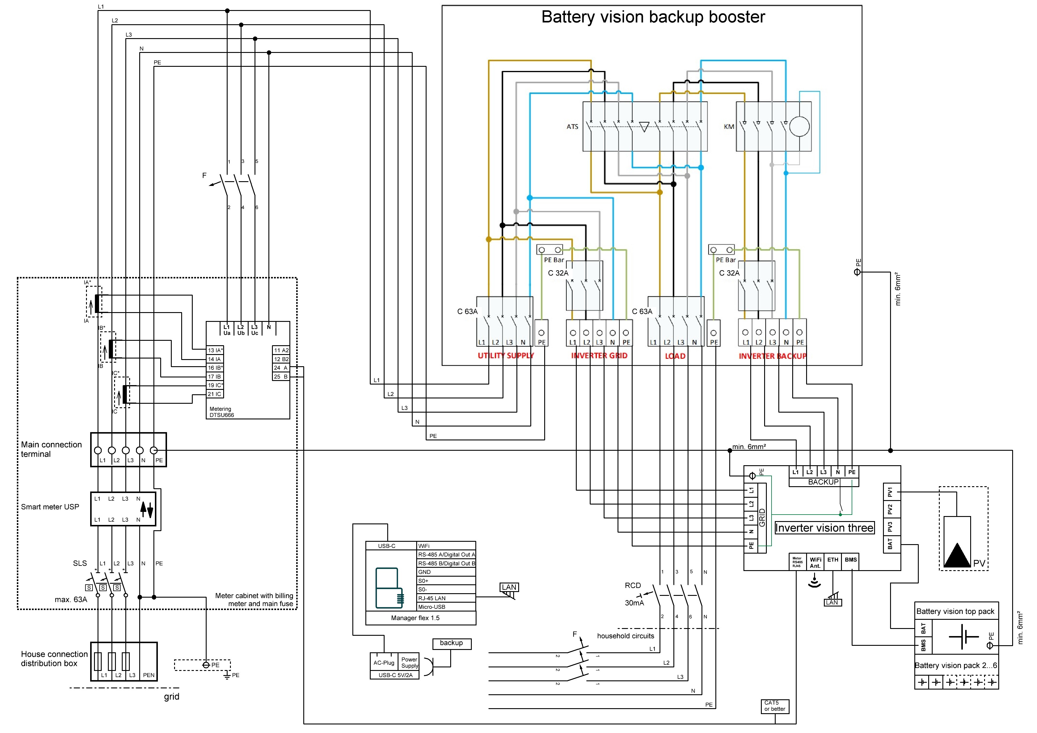
- Battery vision three backup booster
Battery vision three backup booster
Diese Seite beschreibt die Montage und Kabelinstallation für SOLARWATT Battery vision three backup booster.
Beachten Sie alle Sicherheitshinweise und Anforderungen an den Installateur.
Beachten Sie die Vorgaben zum Montageort und den maximalen und minimalen Montageabständen für Inverter, Zähler, Battery, backup booster und clusterbox.
- Wandhalter an der Wand befestigen
- Backup booster einhängen und fixieren
- Gehäusedeckel öffnen, Schrauben der Abdeckplatte lösen, Abdeckplatte entfernen
- Netz- und hauseitige Verbindungen herstellen (per Schraubklemme)
- Grid- und Backup-Verbindungen zum Inverter herstellen (per Federzugklemme)
- Erdung anschließen (M5, 2,0 Nm)
- Prüfen, dass das Gerät sicher und zuverlässig installiert ist
- Prüfen, ob das Erdungskabel richtig, fest und zuverlässig angeschlossen ist
- Prüfen, ob alle Kabel richtig, fest und zuverlässig angeschlossen sind und die Phasenfolge korrekt ist
- Abdeckplatte schließen
War diese Information hilfreich?






